Клуб Мазда, форум, автоклуб avto Москва http://www.mazda-auto.ru
Клуб Мазда Авто, форум, автофорум www.mazda-auto.ru
Клуб Мазда, форум







     На страницу 1, 2  След.

Мучаюсь год с коммутаторами mazda323f карб и до меня люди | мазда (mazda) форум | 29 авг 2009 21:14

 Заголовок сообщения: Мучаюсь год с коммутаторами mazda323f карб и до меня люди | мазда (mazda) форум
29 авг 2009 21:14 
Не в сети
новичок
новичок

Зарегистрирован: 29 авг 2009 00:11
Сообщений: 19
Баллы репутации: 0
mazda 3232f слепая 1990 год карбюратор

может кто сталкивался с такой головоломкой..((
Попытаюсь описать проблемы и кое какие свои выводы..........
1. За год сгорело 6 коммутаторов (mazda B 541-18-V20) это оригинальный номер
ставил на замену я такие по 1 тыс рублей nippon piesces M537A07

когда я покупал машину меня предупредили, что коммутаторы летят безбожно
когда открыл капот обнаружил..что проводка сильно переделана........
искал обрывы преизолировал много проводов
стал думать в чем проблема.. мерил напряжение на работающем двигателе...оказалось что по мере набора оборотов
напряжение подскакивало до 15,5-15,7 вольт..вот оно подумал я....
и потирал руки....)) все ясно......
первым делом ослабил ремень генератора и о чудо.... напряжие стабилизировалось в районе 14 вольт
но генератор покоя мне не давал...и я глупый решил его разобрать и сам поменять реле регулятор...
но я сломал..его..просто разбил((((
купил с разборки за 3 тыс рублей..новый от 8 тыс...
проверили на стенде на маршале..мастера сказали,что он работает как часы..
поставил....померять напряжение забыл..через 5 минут сгорел первый коммутатор...........
далее ослабил ремень напряжение вроде нормальное....
вообщем за следующие несколько месяцев сгорело еще 3 коммутатора..
ближе к лету обнаружил что не работает вентилятор..и при нагреве..но не перегреве ...как только стрелка переваливала за середину машина начинала глохнуть.....и так на прегреве сгорел еще коммутатор......
тогда я сделал вентилятор....и месяц проездил нормально но через месяц машина опять немного видимо перегрелась хотя стрелка и показывала на середину..опять стала глохнуть на холостых..когда была нагрета..
на скорости по трассе ничего не глохло...
тогда я вынул термостат и поменял коммутатор ..старый еще вроде был жив..но чудил...
..........................................................
и поехал с семьей на юг...перекрестясь...
проехал все черноморское побрежье по жаре и доехал до Абхазии (ОБЩИЙ ПРОБЕГ 6200КМ)
и через 20 денй поехал обратно.....тоже был вроде все нормально...
но на обратном пути....в первый день...машина пару раз заглохла...
далее мы остановились ночевать километрах в 200 от Ростова по направленю к Москве...
утром в 7 тронулись в путь и через 3 минуты движения машина заглохла.........
пытался заводить..она заводилась..но глохла когда пытался ехать или прибавлять газ на стоящей машине..тахометр у меня не работает к сожалению....((
сначала подумал что карбюыратор..поднял уровень в камере..не помогло....
ходил кругами чесал голову..и понял что проблема электрическая...
поменял коммутатор на тот что у меня был с собой(я подозревал его в том что он немного сломан..но все ж рабочий...раньше он глох на холостых)
чудо на машина не глохла на холостых...но глохла также при нажатии акселератора...как и с тем коммутатором
..........................
я пошел смотреть генератор..обнаружил что клема S L выскочила...
я засунул её на место и завел мотор.. мотор завелся и сразу заглох...и больше не заводился..
коммутатор сгорел..............(((
...........
коммутаторы я всегда ставил сняв клеммы с аккумулятора..
тогда я поставил обратно оставшийся один коммутатор и снял клемму.. S L с генератора...
попробовал завестить завелась но машина также заглохла..
тогда снял оставшиеся клеммы -идущую на аккумулятор и на карбюратор........
...........
чудо.......машина работала.........
и мы поехала....
шел дождь дорогу ремонтировали было много фур...
в этот день я проехал всего 400-500км
приходилось экономить аккумулятор я не включал габариты и дворники
в 7 часов вечера мы остановились на заправке в 280 км от Москвы
заправились...но стартер уже не крутил...завели с толкача..но было понятно что темнеет и до Москвы мы не доедем(там можно было у дружей подзарядить аккумулятор)
я пытасля по дорогое приобрести еще один аккумулятор....но по трассе их не продавали...
хорошо что я взял с собой зарядное для аккумулятора и женщины на заправке разрешили мне до утра за 300 рублей
поставить заряжаться аккумулятор
мы легли спать в машине..
утром в 7 часов выехали..
надо сказать что и на аккумуляторе машина иногда глохла...но когда мне удавалось набрать приличную скорость и деражать ее все было нормально.....
вообщем проехали Москву и я позвонил своему отцу чтобы выезжал навстречу из Питера с аккумулятором...
встретились где то посередине....
но у Новгорода был пробка связанная с ремонтом дороге...там у меня видимо опять сел аккумулятор и прекратиллся крутиться вентилятор машина закипела и фырнкула паром...
мы поменяли аккумулятор и залили воды........
на 2/3 зараженном аккумуляторе мне удалось проехать около 700 км без включения посторонних потребитей таких как габариты и тп...
в темноте уже въезжали в Питер...когда начались сумерки я включил габариты и аварийку.........
вообщем до дома доехали и вот уже неделю бъюсь над проблемой
1. генератор вроде исправен 2 раза носил его на Маршал проверять сказали что все впорядке.......
2. мой хороший друг проверял его с тестером и осцилографом у меня на машине и сказал что все нормально......
....
сегодня я целый день ходил кругами..
завел поехал..стала глохнуть даже на аккумуляторе.....видимо хорошо зарядился за ночь..)))
снял центральный высоковольтный провод..купил новый поставил старую катушку...она у меня была когда то пробита (я заклеил трещину эпоксидкой),поменял крышку тармблера и бегунок..вроде..поехала лучше но все равно иногда глохла и на аккумуляторе....
........
подключил и поставил на торпеду блок от электронного зажигания, которые ставят на классику(просто + и -)...там можно смотреть текущее напряжение в сети авто и очень точно.....
Итак..при включенном зажигании 11,5 вольт
завожу авто..начинает подниматься до 12-12,5 на холостых....
авто холодное..еду вроде все нормально......
проогреватся и глохнет...
опять завожу...
газую потихоньку напряжение поднимаеться до 13 с небольшим и машина глохнет...........
что за ерунда............
ослабляю ремень генератора завожу...
включаю фары,печку,обогрев задлнего стекла....
напряжение 10,8 10,9
еду напряжение преваливает за 11 и чуть больше машин глохнет но точно сказать на каком напряжении не могу потому как на холостых она и на 13 вольтах не глохла....
далее еще ослабляю ремень.....
опять включаю фары,печку, обогрев заднего стекла....и
наряжение 10,6- 10,8 еду.............)))
не глохнет.................
ездил полчаса машина хорошо прогрелась ездил на разных режимах не заглохла ни разу.......но напряжение больше 10,9 не поднималось ни разу....!!!!!!!!!!!
при этом лампочка отсутсвия зарядки не горит..типа зарядка есть..!!!!!!!!!!!!!!!!!!!!
.......................!???????????????????????????????????????????????
кто-нибудь пожалуйста объяните в чем дело.........
понятно что когда придет новый коммутатор я его поставлю и он наверное будет держать
и 13 вольт и 15 но сколько времени..
вообще нормальное напряжение на сколько я понимаю 14в
.................
СПАСИТЕ..
ОЧЕНЬ ЛЮБЛЮ ЭТУ МАЗДУ..НО КАК ЕЁ ПОЧИНИТЬ?


Вернуться наверх
 Профиль Отправить email  
 
 Заголовок сообщения: Re: Мучаюсь год с коммутаторами mazda323f карб и до меня люди | мазда (mazda) форум
29 авг 2009 22:33 
Не в сети
семизвездочный
Аватар пользователя

Зарегистрирован: 02 фев 2008 18:31
Сообщений: 5435
Откуда: Рига, Латвия
Баллы репутации: 29
А какой именно двигатель?

Если карб там уже (а скорее всего так и есть) с эллектрокоррекцией, то у него есть мозги (с возможностью считать ошибки)

Система зажигания скорее всего раздельна от компа, но электронная.
Говори точно двиг, чтоб я не гадал :)

Так вот может с ума сходит именно блок зажигания? Он ведь электронный. Прошивает при чуть большем напряжении..

Касательно напруги, больше 14,1В я не видел никогда нигде..

_________________
Mazda 626 GC 1986 2.0 carburator (была) 280'000
Mazda 626 GE 1993 comprex (была) счётчик скручен
Audi 80 quattro 1988 1.8 KE-Jetroniс На 380'000 сломался счётчик))
Mazda 323F BA 1995 1.5 Z5 (была) 270'000


Вернуться наверх
 Профиль  
 
 Заголовок сообщения: Re: Мучаюсь год с коммутаторами mazda323f карб и до меня люди | мазда (mazda) форум
29 авг 2009 23:05 
Не в сети
новичок
новичок

Зарегистрирован: 29 авг 2009 00:11
Сообщений: 19
Баллы репутации: 0
Mazda 323f 1990 год слепая
двигатель b6 1.6 16 клапанов карбюратор
на карбюраторе в первые же дни перестал работать автоматический прогреватель-подсос....((( это год назад
=====
щас поехал в О.кей заодно машину проверить
напряжение 10,6-10,8 через 5 минут загрелись лампочки зарядки..нет зарядки...
когда вышел из окея пошевелил клему SL на заведенном двигателе и лампочка отсутствия зарядки пропала
ехал домой на горячей машине нгапряжение было 11,2-11вольт
ни разу не зглохла
но приборная панель свителас тускловато..как будто тока не хватает...
...........


Вернуться наверх
 Профиль Отправить email  
 
 Заголовок сообщения: Re: Мучаюсь год с коммутаторами mazda323f карб и до меня люди | мазда (mazda) форум
30 авг 2009 00:01 
Не в сети
семизвездочный
Аватар пользователя

Зарегистрирован: 02 фев 2008 18:31
Сообщений: 5435
Откуда: Рига, Латвия
Баллы репутации: 29
О даа, это он, ленинградский почтальон - механический карб с электрокоррекцией ;)

Доберусь завтра до гаража, посмотрю эл. схему, а то так гадать сложновато :)

_________________
Mazda 626 GC 1986 2.0 carburator (была) 280'000
Mazda 626 GE 1993 comprex (была) счётчик скручен
Audi 80 quattro 1988 1.8 KE-Jetroniс На 380'000 сломался счётчик))
Mazda 323F BA 1995 1.5 Z5 (была) 270'000


Вернуться наверх
 Профиль  
 
 Заголовок сообщения: Re: Мучаюсь год с коммутаторами mazda323f карб и до меня люди | мазда (mazda) форум
30 авг 2009 00:13 
Не в сети
новичок
новичок

Зарегистрирован: 29 авг 2009 00:11
Сообщений: 19
Баллы репутации: 0
Буду очень признателен..
разговаривал вчера с парнем у него такая же точно машина..
очень похожая проблема..он поставил новый коммутатор..набирает скорость 40-50 и глохнет..а я думаю что проблема вообще такая же как и у меня.........((((


Вернуться наверх
 Профиль Отправить email  
 
 Заголовок сообщения: Re: Мучаюсь год с коммутаторами mazda323f карб и до меня люди | мазда (mazda) форум
30 авг 2009 00:45 
Не в сети
семизвездочный
Аватар пользователя

Зарегистрирован: 02 фев 2008 18:31
Сообщений: 5435
Откуда: Рига, Латвия
Баллы репутации: 29
Хоть бы не забыть :ROFL:

Эл. схема то конечно хорошо, а проверять то вам придётся, яж в Риге своё ведро ковыряю..

_________________
Mazda 626 GC 1986 2.0 carburator (была) 280'000
Mazda 626 GE 1993 comprex (была) счётчик скручен
Audi 80 quattro 1988 1.8 KE-Jetroniс На 380'000 сломался счётчик))
Mazda 323F BA 1995 1.5 Z5 (была) 270'000


Вернуться наверх
 Профиль  
 
 Заголовок сообщения: Re: Мучаюсь год с коммутаторами mazda323f карб и до меня люди | мазда (mazda) форум
30 авг 2009 07:54 
Не в сети
семизвездочный
Аватар пользователя

Зарегистрирован: 21 апр 2005 18:51
Сообщений: 7661
Откуда: Rostov-on-Don
Баллы репутации: 615
Во-первых, я бы для начала устранил всякий "дребезг" контактов везде.
Сверил со схемой правильность проводки, особенно если там сапогами лазизи :D .
Потом обеспечил коммутатору хороший теплоотвод посредством термопасты.
И поменял бабину, т.к. кроме неё перегружать коммутатор нечему.

_________________
626 1990г. 2.0i FE 8v GD - продана
KIA Cerato 1,6 2009г. пробег 25000 - продано
Subaru XV 2012г. летаю


Вернуться наверх
 Профиль  
 
 Заголовок сообщения: Re: Мучаюсь год с коммутаторами mazda323f карб и до меня люди | мазда (mazda) форум
30 авг 2009 10:43 
Не в сети
новичок
новичок

Зарегистрирован: 29 авг 2009 00:11
Сообщений: 19
Баллы репутации: 0
Контакты старые да...(почищу..........спасибо...прозвоню провода..только вот многое очень перемотано...((((
катушку менял.....и до меня люди тоже меняли катушку какое то время работало...
проблема усугубляеться летом..зимой все не горело..за зиму всего один коммутатор сгорел а когда стало тепло...........))))
и я понял что проблема больше термичекая чем электрическая
нашли куда микросземы засунуть там же градусов под 100 наверное...((((
термопасты много намазал..там в комлпекте с зажиганием много...))
думал даже поставить кулер дополнительный туда...или попробовать радиатор засунуть ............
в резльтате пока вынул термостат ... она конечно дольше грелась,но в дикую жару на юге машина меня не подвела.........
...............
возможно еще что выскакивает клемма SL ..то есть контакт то нету...попробую подсунуть что нибудь туда.....
...............
а мне казалось ноборот коммутатор возбуждает катушку....я правда не силен в электрике..)))
может в трамблере еще какая проблема ..там ещё какой то датчик стоит от него едут два провода на коммутатор
а с комутатора два провода на катушку...................
.....................
спасибо что подсказываете....))))
а вообще хочеться уже купить такую же инжекторную вроде там такиз проблем нет...))
а у вас есть схема? потому как у меня в книге уж очень она неполная и неподробная
искал в интернете пока безуспешно..
щас листаю форум прос лепую мазду правда там 270 страниц может там что-то есь....


Вернуться наверх
 Профиль Отправить email  
 
 Заголовок сообщения: Re: Мучаюсь год с коммутаторами mazda323f карб и до меня люди | мазда (mazda) форум
30 авг 2009 16:43 
Не в сети
семизвездочный
Аватар пользователя

Зарегистрирован: 21 апр 2005 18:51
Сообщений: 7661
Откуда: Rostov-on-Don
Баллы репутации: 615
Ну да. Коммутатор получает импульс от датчика холла, который в трамблере, и выдает импульс на бабину. Раз бабину меняли и без изменений, скорей всего с подключениями накосячили. Схема, тестер, пиво.....
Земля надежно обеспечена?
Еще хорошо бы сделать вскрытие умерших коммутаторов. Может, можно транзистор сделать выносным? На моей памяти городские часы работали с такими "усовершенствованиями" - транзисторы плавали в емкостях с водой :lol: . А до этого горели, как спички...

_________________
626 1990г. 2.0i FE 8v GD - продана
KIA Cerato 1,6 2009г. пробег 25000 - продано
Subaru XV 2012г. летаю


Вернуться наверх
 Профиль  
 
 Заголовок сообщения: Re: Мучаюсь год с коммутаторами mazda323f карб и до меня люди | мазда (mazda) форум
30 авг 2009 23:27 
Не в сети
новичок
новичок

Зарегистрирован: 29 авг 2009 00:11
Сообщений: 19
Баллы репутации: 0
жаль что я не в Ростове...хотя машина сломалась именно около Ростова на Дону....

Лежит 3 или 4 сгоревших коммутатора..полуживой стоит или живой
сегодня ездил по делам...
завел....включил все потребители, благо шел дождь
дальний свет
печку
обогрев стекла
задние и передние дворники
напряжение держалось от 10,8 на холостых до 12,4 на движешемся авто
старался держать напряжение в районе 11,5....
несоклько раз глохла когда видимо были всплески..
тепература не поднималась выше 60 потому как холодно и венитлятор я подключил принудительно..датчика пока нет рабочего.....
потому как с увеличением температуры охлаждающей жидкости порог глушения двигателя опускается до 11,5
чем холоднее двигатель тем выше вольтаж сети выдерживает......
..........
все таки мне кажеться что диодный мост или реле регулятора на генераторе..............
или все сразу..)))))))))
...попробую на разборке взять и поставить для пробы генгератор..если что верну назад если проблема не исчезнет.......
...................
хотя навреняка если переделывали проводку могли и накосячить...
но это уже не найти....((
может посоветуете кого в Питере....кто мог бы с этим разобраться..
........
а что делать с автоподсосом если не работает....?
................
с уважением Сергей


Вернуться наверх
 Профиль Отправить email  
 
 Заголовок сообщения: Re: Мучаюсь год с коммутаторами mazda323f карб и до меня люди | мазда (mazda) форум
31 авг 2009 12:37 
Не в сети
семизвездочный
Аватар пользователя

Зарегистрирован: 02 фев 2008 18:31
Сообщений: 5435
Откуда: Рига, Латвия
Баллы репутации: 29
Обломись, эл.схемы нету! Это я про то, что этот хитрый карб я никогда в глаза не видел, видел только всякие пирбурги 2ее (подозревал, что что то подобное и на мазде стоит).

Странно, что при повышении напруги глохнет! Может попробовать сам блочёк зажигания сменить? (у меня на ауди что то похожее стоит, в салоне у ног, блочёк с две спичечные коробки размером).

А электросхемы на этот двиг нигде не нашёл.. Есть только на В6i

_________________
Mazda 626 GC 1986 2.0 carburator (была) 280'000
Mazda 626 GE 1993 comprex (была) счётчик скручен
Audi 80 quattro 1988 1.8 KE-Jetroniс На 380'000 сломался счётчик))
Mazda 323F BA 1995 1.5 Z5 (была) 270'000


Вернуться наверх
 Профиль  
 
 Заголовок сообщения: Re: Мучаюсь год с коммутаторами mazda323f карб и до меня люди | мазда (mazda) форум
31 авг 2009 14:21 
Не в сети
семизвездочный
Аватар пользователя

Зарегистрирован: 21 апр 2005 18:51
Сообщений: 7661
Откуда: Rostov-on-Don
Баллы репутации: 615
Чтобы работал подсос, обильно промывал ВДшкой весь механизм на карбе. Обычно помогало, тоько один раз на опеле еще и диафрагма вакууника была порвана.
По поводу коммутатора - на крайняк можно попробовать соединить одним толстым проводом земли коммутатора, бабины, и двигатель. Немного открутил болт крепления, обмотал проводом, закрутил....
И все-таки хорошо бы с тестером проверить, не перепутаны ли провода на бабине....
Насчет гены - могобыть. Если какой диод пробит, будет переть переменка. Лампочкам пофиг, а электроника греется. И аккум кипит...

_________________
626 1990г. 2.0i FE 8v GD - продана
KIA Cerato 1,6 2009г. пробег 25000 - продано
Subaru XV 2012г. летаю


Вернуться наверх
 Профиль  
 
 Заголовок сообщения: Re: Мучаюсь год с коммутаторами mazda323f карб и до меня люди | мазда (mazda) форум
31 авг 2009 22:09 
Не в сети
новичок
новичок

Зарегистрирован: 29 авг 2009 00:11
Сообщений: 19
Баллы репутации: 0
я тоже подозреваю диоды....(((
а как это проверить самому диоды? если в ремонте генераторов сказали что все нормально...?
один акумулятор у меня даже лопнул......видимо закипел.....
пришлось новый покупать
блок зажигания заказал....
придет через неделю или две..в лучшем случае...)))

у меня коммутатор стоит в трамблере на термопасте...не знаю как там у него с землей..посмотрю...
он собака там и грееться да еще генератор его наверное током глушит...(((


Вернуться наверх
 Профиль Отправить email  
 
 Заголовок сообщения: Re: Мучаюсь год с коммутаторами mazda323f карб и до меня люди | мазда (mazda) форум
01 сен 2009 12:06 
Не в сети
я тут живу
я тут живу
Аватар пользователя

Зарегистрирован: 07 май 2008 10:31
Сообщений: 531
Баллы репутации: 25
Очевидно, проблема с реле-регулятором в генераторе, или с обмотками генератора, или с диодным мостом.
От этого горит комутатор, да и вся електроника, потому менять коммутаторы без выяснения причины плохой работы генератора - гиблое дело.
Я вроде понял так, что генератор меняли? Проверяли ли его под нагрузкой?
Можно попробывать сделать выносной реле-регулятор, да и диодный мост тоже, посмотреть что получится, всеж дешевле чем менять гену.

_________________
323 1988 г.в. BF 1.3 карб - продана.
Daewoo Lanos D4MM550.
Не лезь в механизм, не мешай ему работать!!!
Если электроприбор не работает - значит где-то либо нет контакта, либо где-то он лишний


Вернуться наверх
 Профиль  
 
 Заголовок сообщения: Re: Мучаюсь год с коммутаторами mazda323f карб и до меня люди | мазда (mazda) форум
01 сен 2009 16:54 
Не в сети
семизвездочный
Аватар пользователя

Зарегистрирован: 02 фев 2008 18:31
Сообщений: 5435
Откуда: Рига, Латвия
Баллы репутации: 29
Диоды прозваниваются. В одну сторону имеет сопротивление бесконечность (по идее несколько мОм), в другу сторону сопротивление низкое. Я все звонил и у всех сопротивление в обратную сторону было одинаково, +/-5%

_________________
Mazda 626 GC 1986 2.0 carburator (была) 280'000
Mazda 626 GE 1993 comprex (была) счётчик скручен
Audi 80 quattro 1988 1.8 KE-Jetroniс На 380'000 сломался счётчик))
Mazda 323F BA 1995 1.5 Z5 (была) 270'000


Вернуться наверх
 Профиль  
 
 Заголовок сообщения: Re: Мучаюсь год с коммутаторами mazda323f карб и до меня люди | мазда (mazda) форум
01 сен 2009 17:14 
Не в сети
семизвездочный
Аватар пользователя

Зарегистрирован: 21 апр 2005 18:51
Сообщений: 7661
Откуда: Rostov-on-Don
Баллы репутации: 615
Ну если лопался аккум - я бы не парясь купил новый генератор. Действительно, диоды могут быть целыми, регулятор дохлый. По частям и с работой выйдет дороже, чем купить б\у на рынке. Или, если порыться в форуме - ставили от наших типа авто...

_________________
626 1990г. 2.0i FE 8v GD - продана
KIA Cerato 1,6 2009г. пробег 25000 - продано
Subaru XV 2012г. летаю


Вернуться наверх
 Профиль  
 
 Заголовок сообщения: Re: Мучаюсь год с коммутаторами mazda323f карб и до меня люди | мазда (mazda) форум
02 сен 2009 00:43 
Не в сети
новичок
новичок

Зарегистрирован: 29 авг 2009 00:11
Сообщений: 19
Баллы репутации: 0
Да думаю менять генератор....
этот уже разбираю..смазал все Вдэшкой..сделал упор в батарею..подсунул напильник в круглое отврситие...сдела стопор на крыльчатку и с трубой еле окрутил гайку крепления шкива
винты под ним пока не снять..((нет отвейртки мощной
посмотрел на экзисте ...роеле регулятор и диодный мост дороже целого генератора....)))
если разберу попробую пойти на Маршал там вроде по отдельности могут продавать...
..............
видел восьмерочный очень похож и крепление подходит,только клемм там меньше может подскажете как подключить?


Вернуться наверх
 Профиль Отправить email  
 
 Заголовок сообщения: Re: Мучаюсь год с коммутаторами mazda323f карб и до меня люди | мазда (mazda) форум
02 сен 2009 12:50 
Не в сети
семизвездочный

Зарегистрирован: 01 июл 2006 22:53
Сообщений: 2257
Откуда: МО, Нахабино - Stavropol
Баллы репутации: 57
Голубев Сергей
снимать шкив и переднюю крышку совсем не обязательно, только в случае, если просится на замену передний подшипник.
Реле-регулятор стоит в районе 600-800р., так же примерно и диодный мост.
Щетки - 50-150р.
Нади тему, недавно обсуждалась, по ремонту/разбору генератора.
В идеале снять девайсы и идти с ними в магазин, проще подобрать будет по образцу.
Тайвань брать не советую, лучше какой-нить Mobiletron. У себя поменял - полет нормальный:)

_________________
MX-3,КLZE,Blaze Red


Вернуться наверх
 Профиль  
 
 Заголовок сообщения: Re: Мучаюсь год с коммутаторами mazda323f карб и до меня люди | мазда (mazda) форум
02 сен 2009 23:02 
Не в сети
новичок
новичок

Зарегистрирован: 29 авг 2009 00:11
Сообщений: 19
Баллы репутации: 0
Привет! да оказалось что шкив снимать было не нужно
просто делал все по книжке.....)))
там видимо стояла задача разобрать все до винтика
все-таки бить молотком не решился с утра отнес на Маршал и там за 200 рублей мне его разобрали и внутри все проверили..сказали что все ок..
собрал сам
поставил завел..выдает 14,1-13 вольт,а машина все также глохнет когда захочет..
наверное блока зажигания неправильно работает или как я уже теперь думаю подключен потому как проводом накручено самопальных............

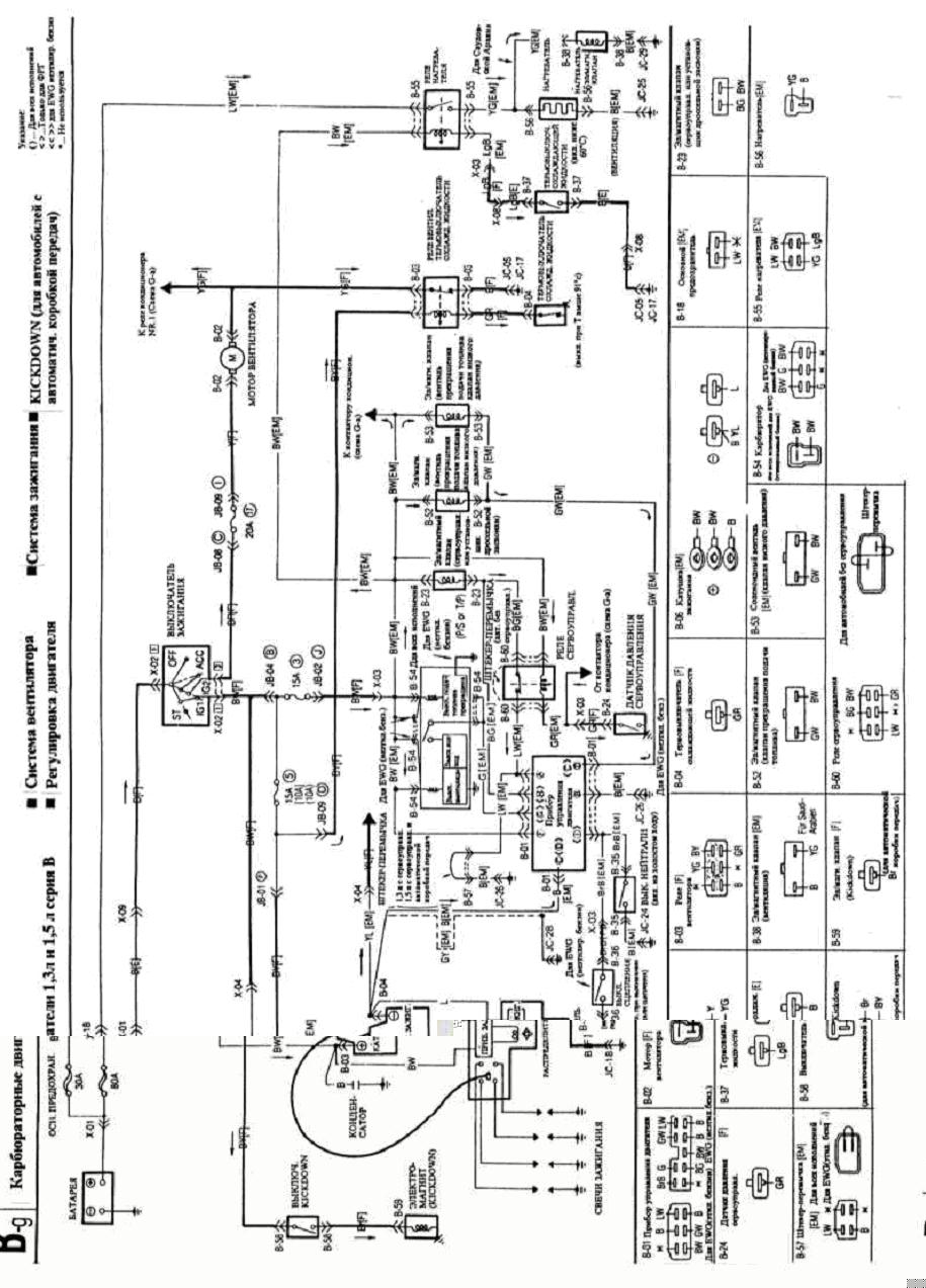
вот схема управления

http://wiki.mazda-auto.by/images/e/e4/323_schems.pdf
страница 14 в схема № 13 (Система управления двигателем карбюраторные модели)
но у меня как то не так............
у меня вот так
144 видимо это мой коммутатор,который глючит и горит
145 видимо электрокоррекция карбюратора...не знаю работает ли..
если 151 -это датчик Холла,у мнея от него два провода идут на 144 причем прямо внутри трамблера
а из 144 два провода идут на катушку причем один из них звониться с землей.....при выключенном зажигании во всяком случае.............
корпус 144 тоже звониться с землей это понятно..()
тахометр не работает видимо провод не доходит..))
вообщем я ничего не понимаю...((((((((((((
ну а дальше от катушки уже высоковольтный провод
...........
как соединить по этой схеме я тож не понимаю..
посмотрю завтра на коммутаторах написаны ли А B C D кто из них кто...


Вернуться наверх
 Профиль Отправить email  
 
 Заголовок сообщения: Re: Мучаюсь год с коммутаторами mazda323f карб и до меня люди | мазда (mazda) форум
02 сен 2009 23:21 
Не в сети
новичок
новичок

Зарегистрирован: 29 авг 2009 00:11
Сообщений: 19
Баллы репутации: 0
а вот и коммутатор
http://www.exist.ru/images/getimg.aspx? ... d=F12006B7

чтобы положение клемм на этой фотке стало как на схеме его нужно повернуть, как я понял, против часовой стрелки на 45 градусов
coil- видимо на катушку .. и тахометр далее....
куда B+ ?

P+ и P- идут у меня на датчик холла видимо (24-314А в нижеприведенной схеме)
http://www.japancats.ru/mazda/Parts.asp ... d=5C30000A

ВОТ НАРИСОВАЛ КАК У МЕНЯ

http://www.traffix.ru/shema.jpg

и у меня вопрос коммутатор (или блок зажигания) обязательно должен внутри стоять? он что тоже обороты считает? или как?


Вернуться наверх
 Профиль Отправить email  
 
 Заголовок сообщения: Re: Мучаюсь год с коммутаторами mazda323f карб и до меня люди | мазда (mazda) форум
03 сен 2009 16:33 
Не в сети
я тут живу
я тут живу
Аватар пользователя

Зарегистрирован: 07 май 2008 10:31
Сообщений: 531
Баллы репутации: 25
Всетаки я думаю, что проблему с генератором ты не решил, смущает вот это
Цитата:
выдает 14,1-13 вольт
.
Не должно так быть, не ИМХО.
Цитата:
coil- видимо на катушку .. и тахометр далее...
- правильно.
Цитата:
куда B+
- кинь на +В, куда ж еще :D
Цитата:
у меня вопрос коммутатор (или блок зажигания) обязательно должен внутри стоять? он что тоже обороты считает? или как
- если есть датчик холла - выкинуть к чертям ентот комутатор, сделать выносной от чего подешевле (жигули например :) ), правда тогда могут иные траблы появиться, сдеся на форуме ктото делал выносной комутатор, поищи, там все расписано.

_________________
323 1988 г.в. BF 1.3 карб - продана.
Daewoo Lanos D4MM550.
Не лезь в механизм, не мешай ему работать!!!
Если электроприбор не работает - значит где-то либо нет контакта, либо где-то он лишний


Вернуться наверх
 Профиль  
 
 Заголовок сообщения: Re: Мучаюсь год с коммутаторами mazda323f карб и до меня люди | мазда (mazda) форум
03 сен 2009 19:35 
Не в сети
семизвездочный
Аватар пользователя

Зарегистрирован: 02 фев 2008 18:31
Сообщений: 5435
Откуда: Рига, Латвия
Баллы репутации: 29
Ну дык около 14 напруга и должна быть, только скакать на вольт как бы не должна!

_________________
Mazda 626 GC 1986 2.0 carburator (была) 280'000
Mazda 626 GE 1993 comprex (была) счётчик скручен
Audi 80 quattro 1988 1.8 KE-Jetroniс На 380'000 сломался счётчик))
Mazda 323F BA 1995 1.5 Z5 (была) 270'000


Вернуться наверх
 Профиль  
 
 Заголовок сообщения: Re: Мучаюсь год с коммутаторами mazda323f карб и до меня люди | мазда (mazda) форум
04 сен 2009 00:30 
Не в сети
новичок
новичок

Зарегистрирован: 29 авг 2009 00:11
Сообщений: 19
Баллы репутации: 0
все таки в генераторе траблы
вчера не обратил внимания а сегодня посмотрел....сгорел предохранитель подключенного вольтметра , я по нему смотрел напряжение просто был подключен на + и - предохраниетль висел конечно же на +
??????????? лучше я генератор все таки поменяю....но почему же в мастерской это не выявляеться..??????????
**********
размотал провода и прозвонил вот уточненная схема подключения
www.traffix.ru/shema1.jpg (я на ней подписал наименование контактов по нижеприведенной схеме (ну как я понял)
..если кто понимает можете посмореть соотвествует ли это схеме было бы здорово..у меня нет
соответствующего опыта и образования только здравый смысл...))
вот схема еще раз
http://wiki.mazda-auto.by/images/e/e4/323_schems.pdf
страница 14 в схема № 13 (Система управления двигателем карбюраторные модели)
************
еще я брал катушку с разборки вместе с разъемом и там былы обрезаны провода
так вот,там провода на катушке подключены наоборот т.е
у меня от коммутатора идет синий провод..он скручен с желтым синей полосй (это с разъема coil)
а черный с белой полосой(из коммутатора b+) смотан с синим на катушке и к ним приходит + с зажигания...
на тахометр ничего не иде( по схеме должен идти с того провода что на coil) и соответственно тахомтер у меня не работает..........(((
это все отражено на схеме1.........
а что у катушки получаеться два плюса
он равноценны или нет...можно ли подключить наоборот..............???????????????
?????????????????????????
и как мне найти конец тахометра? чтобы бросить на coil
********
еще
мой приятель сегодня сказал как и ВЫ что дело может быть в катушке
и что где то рядом должен стоять диод чтобы сглаживать или убирать обратные импульсы
//////////
c уважением Сергей


Вернуться наверх
 Профиль Отправить email  
 
 Заголовок сообщения: Re: Мучаюсь год с коммутаторами mazda323f карб и до меня люди | мазда (mazda) форум
04 сен 2009 10:15 
Не в сети
я тут живу
я тут живу
Аватар пользователя

Зарегистрирован: 07 май 2008 10:31
Сообщений: 531
Баллы репутации: 25
Отпишись, что как было по порядку - сначала начали гореть коммутаторы, или сначала ктото колхозил в зажигании.
Попробую кинуть схему, может поможет.
Вложение:
Комментарий к файлу: схема
123.JPG
123.JPG [ 172.63 | Просмотров: 7515 ]

выводы катушки НЕ ВЗАИМОЗАМЕНЯЕМЫ.
Конец тахометра может идти и на щиток приборов, и на комп, зависит от авто, нужно искать схему именно от твоего авто.

_________________
323 1988 г.в. BF 1.3 карб - продана.
Daewoo Lanos D4MM550.
Не лезь в механизм, не мешай ему работать!!!
Если электроприбор не работает - значит где-то либо нет контакта, либо где-то он лишний


Вернуться наверх
 Профиль  
 
 Заголовок сообщения: Re: Мучаюсь год с коммутаторами mazda323f карб и до меня люди | мазда (mazda) форум
04 сен 2009 10:38 
Не в сети
новичок
новичок

Зарегистрирован: 29 авг 2009 00:11
Сообщений: 19
Баллы репутации: 0
СПасибо за схему попытаюьс с ней свериться....

Люди которые владели машиной до меня купили её на авторынке....машина была из Новгорода по документам..
проводка уже была переделана....у них она была около года и сгорело тоже 6 или 7 коммутаторов..
потом они её поставили так как надоело с ними мучаться....и простояла она год....
и её купил я..сначала зимой вроде все было ок, сгорело за зиму и начало весны всего 1 или 2, ну а как потеплело стали гореть значилтеьно чаще....
те..проблему существует с того момента как я знаю историю машины..........
а как определить где + и - у катушки там не подписано может скажете по своей.??
а у Вас тоже такой коммутатор в трамблере....хотелось бы посмотреть проводку живьем....))
.


Вернуться наверх
 Профиль Отправить email  
 
Показать сообщения за:  Сортировать по:  
Начать новую тему Ответить на тему  [ Сообщений: 44 ]  На страницу 1, 2  След.









Найти:
Перейти:  
cron
Клуб «Мазда-Авто»: www.mazda-auto.ru © 2002 - 2018
Форум владельцев автомобилей Mazda: Москва, Санкт-Петербург, Екатеринбург, Челябинск, Тюмень, Краснодар, Новосибирск, Красноярск, Воронеж.