Клуб Мазда, форум, автоклуб avto Москва http://www.mazda-auto.ru
Клуб Мазда Авто, форум, автофорум www.mazda-auto.ru
Клуб Мазда, форум







     На страницу 1, 2, 3, 4, 5 ... 45  След.

Помогите разобраться с ошибкой №17 - лямбда. Mazda 626 GD | мазда (mazda) форум | 17 июн 2010 00:32

 Заголовок сообщения: Помогите разобраться с ошибкой №17 - лямбда. Mazda 626 GD | мазда (mazda) форум
17 июн 2010 00:32 
Не в сети
завсегдатай
завсегдатай
Аватар пользователя

Зарегистрирован: 31 май 2010 19:35
Сообщений: 486
Откуда: Одесса, Украина
Автомобиль: Mazda GD 1991 FE 2.0i
Баллы репутации: 15
Машина: Mazda 626 GD 1991 г.в. 2.0i.
После проверки мозгов на ошибки - обнаружил 17-ю ошибку, датчик кислорода. Купил универсальный однопроводной лямбда зонд. Сменил. Стер ошибку с мозгов. Проехал пару километров. Проверил на ошибки - снова 17-я.
В чем может быть проблема, помогите кто чем может. В доступных мануалах не нашел эл. схему для моей машины.

_________________
mazda 626 GLX 2.0i 8v 1991г.(хэтчбек)
Изображение


Вернуться наверх
 Профиль Отправить email  
 
 Заголовок сообщения: Re: Помогите разобраться с ошибкой №17 - лямбда. Mazda 626 GD | мазда (mazda) форум
17 июн 2010 08:34 
Не в сети
я тут живу
я тут живу
Аватар пользователя

Зарегистрирован: 08 апр 2010 08:51
Сообщений: 687
Откуда: Pietari Купчино
Автомобиль: mazda 626GE
Баллы репутации: 63
Если датчик был 4-х проводной ; провод лямбда, масса, два провода подогрев, то отсутствие цепи подогрева квалифицируется как обрыв

_________________
[b]626 GE 2.0 FS hatchback[/b
СТО "Нева-Сервис", СПб, Заставская 4, тел. 8 812 388-00-28, http://nevaservise.ru
Полный спектр услуг по ремонту и техническому обслуживанию вашего автомобиля.


Вернуться наверх
 Профиль Отправить email  
 
 Заголовок сообщения: Re: Помогите разобраться с ошибкой №17 - лямбда. Mazda 626 GD | мазда (mazda) форум
17 июн 2010 09:36 
Не в сети
завсегдатай
завсегдатай
Аватар пользователя

Зарегистрирован: 31 май 2010 19:35
Сообщений: 486
Откуда: Одесса, Украина
Автомобиль: Mazda GD 1991 FE 2.0i
Баллы репутации: 15
kuhakeitaja писал(а):
Если датчик был 4-х проводной ; провод лямбда, масса, два провода подогрев, то отсутствие цепи подогрева квалифицируется как обрыв

Нет на GD по заводу однопроводные стоят, там обычный лямбда. Думаю где-то дальше по цепи обрыв. Вот только схему для своей машинки никак ни найду.
Может кто-то имеет программы по Мазде или знает где скачать можно?
Знаю что есть такие где по VIN выдает инфу по машине в том числе и эл. схемы.

_________________
mazda 626 GLX 2.0i 8v 1991г.(хэтчбек)
Изображение


Вернуться наверх
 Профиль Отправить email  
 
 Заголовок сообщения: Re: Помогите разобраться с ошибкой №17 - лямбда. Mazda 626 GD | мазда (mazda) форум
17 июн 2010 10:31 
Не в сети
семизвездочный
Аватар пользователя

Зарегистрирован: 09 июн 2008 20:26
Сообщений: 6176
Откуда: Волгоградская область
Баллы репутации: 301
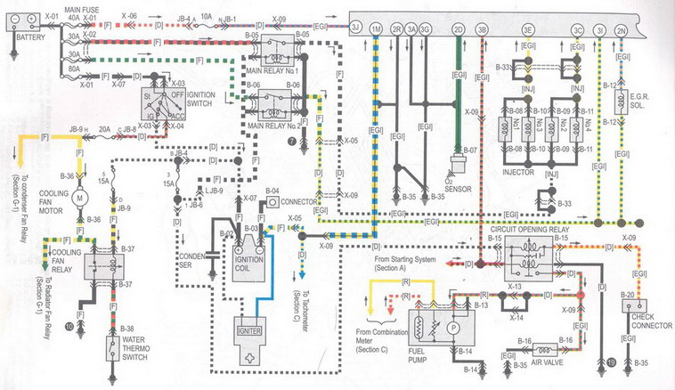
Блин!У меня эта схема с рабочего стола не убирается,до дыр затру скоро!
Вложение:
264new.jpg
264new.jpg [ 114.64 | Просмотров: 27103 ]

_________________
Веста SW люкс ММ
---------------------------------------
аська-556792705


Вернуться наверх
 Профиль Отправить email  
 
 Заголовок сообщения: Re: Помогите разобраться с ошибкой №17 - лямбда. Mazda 626 GD | мазда (mazda) форум
17 июн 2010 11:54 
Не в сети
завсегдатай
завсегдатай
Аватар пользователя

Зарегистрирован: 31 май 2010 19:35
Сообщений: 486
Откуда: Одесса, Украина
Автомобиль: Mazda GD 1991 FE 2.0i
Баллы репутации: 15
vliv писал(а):
Блин!У меня эта схема с рабочего стола не убирается,до дыр затру скоро!
Вложение:
264new.jpg

То что надо, только случайно еще не валяется ли у Вас распиновка разъема мозгов? А то не понятно где там искать 2D и параллельные ему 3A и 3G.

_________________
mazda 626 GLX 2.0i 8v 1991г.(хэтчбек)
Изображение


Вернуться наверх
 Профиль Отправить email  
 
 Заголовок сообщения: Re: Помогите разобраться с ошибкой №17 - лямбда. Mazda 626 GD | мазда (mazda) форум
17 июн 2010 12:17 
Не в сети
я тут живу
я тут живу
Аватар пользователя

Зарегистрирован: 08 сен 2007 12:17
Сообщений: 1385
Откуда: Riga, Latvia
Автомобиль: Mazda MX-6 2.5 / 1992 год
Баллы репутации: 47
SPOT писал(а):
То что надо, только случайно еще не валяется ли у Вас распиновка разъема мозгов? А то не понятно где там искать 2D и параллельные ему 3A и 3G.


Можно проще - посмотреть по цвету провода.

_________________
MX-6 GE '92 KL 2.5 V6 МКПП люк, круиз / передние тормоза от Mazda 6 были, CX-7 стали / армированные шланги тормозов


Вернуться наверх
 Профиль  
 
 Заголовок сообщения: Re: Помогите разобраться с ошибкой №17 - лямбда. Mazda 626 GD | мазда (mazda) форум
17 июн 2010 13:02 
Не в сети
семизвездочный
Аватар пользователя

Зарегистрирован: 09 июн 2008 20:26
Сообщений: 6176
Откуда: Волгоградская область
Баллы репутации: 301
На мозгах всё подписано.

_________________
Веста SW люкс ММ
---------------------------------------
аська-556792705


Вернуться наверх
 Профиль Отправить email  
 
 Заголовок сообщения: Re: Помогите разобраться с ошибкой №17 - лямбда. Mazda 626 GD | мазда (mazda) форум
17 июн 2010 13:08 
Не в сети
завсегдатай
завсегдатай
Аватар пользователя

Зарегистрирован: 31 май 2010 19:35
Сообщений: 486
Откуда: Одесса, Украина
Автомобиль: Mazda GD 1991 FE 2.0i
Баллы репутации: 15
vliv писал(а):
На мозгах всё подписано.

Спасибо, сегодня посмотрю. Позже отпишусь.
А вообще реально может обрыв быть? Из опыта с чем может быть связана такая поломка?

_________________
mazda 626 GLX 2.0i 8v 1991г.(хэтчбек)
Изображение


Вернуться наверх
 Профиль Отправить email  
 
 Заголовок сообщения: Re: Помогите разобраться с ошибкой №17 - лямбда. Mazda 626 GD | мазда (mazda) форум
17 июн 2010 13:47 
Не в сети
семизвездочный
Аватар пользователя

Зарегистрирован: 09 июн 2008 20:26
Сообщений: 6176
Откуда: Волгоградская область
Баллы репутации: 301
Не реально,в естественных условиях-не рвётся,но проверить надо.
А ошибочка легендарная,может быть от состава выхлопа,который в рамки измерения не помещается и мозг тупо зонд игнорирует,в общем я долго плясал-так ни чё и не понял-в каком месте правильно не то помыл,не то собрал,зато провёл тотальную промывку и прочий регламент всей топливовоздушной :D

_________________
Веста SW люкс ММ
---------------------------------------
аська-556792705


Вернуться наверх
 Профиль Отправить email  
 
 Заголовок сообщения: Re: Помогите разобраться с ошибкой №17 - лямбда. Mazda 626 GD | мазда (mazda) форум
17 июн 2010 18:21 
Не в сети
завсегдатай
завсегдатай
Аватар пользователя

Зарегистрирован: 31 май 2010 19:35
Сообщений: 486
Откуда: Одесса, Украина
Автомобиль: Mazda GD 1991 FE 2.0i
Баллы репутации: 15
vliv писал(а):
Не реально,в естественных условиях-не рвётся,но проверить надо.
А ошибочка легендарная,может быть от состава выхлопа,который в рамки измерения не помещается и мозг тупо зонд игнорирует,в общем я долго плясал-так ни чё и не понял-в каком месте правильно не то помыл,не то собрал,зато провёл тотальную промывку и прочий регламент всей топливовоздушной :D

И что после промывки топливновоздушной ошибка не появляется?

Сегодня прозвонил провод лямбды на мозг - как и предполагалось звонится в нуль. Кстати на схеме это синий, а у меня черный провод. Нашел его таки на 2D.
Вложение:
IMG_48302.JPG
IMG_48302.JPG [ 75.21 | Просмотров: 27066 ]

После этого полез к воздушному фильтру - чисто там. Далее снял патрубок с заслонки и вот что увидел:
Вложение:
IMG_48312.JPG
IMG_48312.JPG [ 131.73 | Просмотров: 27066 ]

Вложение:
IMG_48322.JPG
IMG_48322.JPG [ 93.37 | Просмотров: 27066 ]

Что скажите в каком направлении дальше рыть? Т.к. расход 14.5 в городе и ошибка в мозгу никак не устраивает :(

_________________
mazda 626 GLX 2.0i 8v 1991г.(хэтчбек)
Изображение


Вернуться наверх
 Профиль Отправить email  
 
 Заголовок сообщения: Re: Помогите разобраться с ошибкой №17 - лямбда. Mazda 626 GD | мазда (mazda) форум
17 июн 2010 23:36 
Не в сети
семизвездочный
Аватар пользователя

Зарегистрирован: 02 фев 2008 18:31
Сообщений: 5435
Откуда: Рига, Латвия
Баллы репутации: 29
В смысле нуль? На массу что ли коротит? Что вообще на лямбде при работающем двигателе, какое напряжение? Подсосов воздуха во впуске нет?

_________________
Mazda 626 GC 1986 2.0 carburator (была) 280'000
Mazda 626 GE 1993 comprex (была) счётчик скручен
Audi 80 quattro 1988 1.8 KE-Jetroniс На 380'000 сломался счётчик))
Mazda 323F BA 1995 1.5 Z5 (была) 270'000


Вернуться наверх
 Профиль  
 
 Заголовок сообщения: Re: Помогите разобраться с ошибкой №17 - лямбда. Mazda 626 GD | мазда (mazda) форум
18 июн 2010 00:05 
Не в сети
завсегдатай
завсегдатай
Аватар пользователя

Зарегистрирован: 31 май 2010 19:35
Сообщений: 486
Откуда: Одесса, Украина
Автомобиль: Mazda GD 1991 FE 2.0i
Баллы репутации: 15
orion777 писал(а):
В смысле нуль? На массу что ли коротит? Что вообще на лямбде при работающем двигателе, какое напряжение? Подсосов воздуха во впуске нет?

В нуль значит провод от лямбды до мозгов целый и с двух концов звонится в нуль.
При работающем двигателя лямда дает напряжение от 0,1 до 0,7В - больше обороты не поднимал.
Подсосы буду проверять сегодня, когда буду мыть заслонку.

_________________
mazda 626 GLX 2.0i 8v 1991г.(хэтчбек)
Изображение


Вернуться наверх
 Профиль Отправить email  
 
 Заголовок сообщения: Re: Помогите разобраться с ошибкой №17 - лямбда. Mazda 626 GD | мазда (mazda) форум
18 июн 2010 02:19 
Не в сети
семизвездочный
Аватар пользователя

Зарегистрирован: 02 фев 2008 18:31
Сообщений: 5435
Откуда: Рига, Латвия
Баллы репутации: 29
Намекает на бедноватую смесь слегка.. Ну вот подсосы как раз и поищи ;)

_________________
Mazda 626 GC 1986 2.0 carburator (была) 280'000
Mazda 626 GE 1993 comprex (была) счётчик скручен
Audi 80 quattro 1988 1.8 KE-Jetroniс На 380'000 сломался счётчик))
Mazda 323F BA 1995 1.5 Z5 (была) 270'000


Вернуться наверх
 Профиль  
 
 Заголовок сообщения: Re: Помогите разобраться с ошибкой №17 - лямбда. Mazda 626 GD | мазда (mazda) форум
18 июн 2010 22:27 
Не в сети
завсегдатай
завсегдатай
Аватар пользователя

Зарегистрирован: 31 май 2010 19:35
Сообщений: 486
Откуда: Одесса, Украина
Автомобиль: Mazda GD 1991 FE 2.0i
Баллы репутации: 15
Сегодня снял заслонку - помыл. Заодно сменил прокладку под крышкой распредвала - пропускала масло.
Вот думаю теперь, форсунки снимать для чистки? Что скажите?

_________________
mazda 626 GLX 2.0i 8v 1991г.(хэтчбек)
Изображение


Вернуться наверх
 Профиль Отправить email  
 
 Заголовок сообщения: Re: Помогите разобраться с ошибкой №17 - лямбда. Mazda 626 GD | мазда (mazda) форум
19 июн 2010 13:40 
Не в сети
семизвездочный
Аватар пользователя

Зарегистрирован: 02 фев 2008 18:31
Сообщений: 5435
Откуда: Рига, Латвия
Баллы репутации: 29
почистишь - будет лучше ехать. Сам думай надо тебе или нет :D

_________________
Mazda 626 GC 1986 2.0 carburator (была) 280'000
Mazda 626 GE 1993 comprex (была) счётчик скручен
Audi 80 quattro 1988 1.8 KE-Jetroniс На 380'000 сломался счётчик))
Mazda 323F BA 1995 1.5 Z5 (была) 270'000


Вернуться наверх
 Профиль  
 
 Заголовок сообщения: Re: Помогите разобраться с ошибкой №17 - лямбда. Mazda 626 GD | мазда (mazda) форум
19 июн 2010 15:50 
Не в сети
завсегдатай
завсегдатай
Аватар пользователя

Зарегистрирован: 31 май 2010 19:35
Сообщений: 486
Откуда: Одесса, Украина
Автомобиль: Mazda GD 1991 FE 2.0i
Баллы репутации: 15
orion777 писал(а):
почистишь - будет лучше ехать. Сам думай надо тебе или нет :D

чистить или нет вопрос стал после того как сказали что из-за форсунок может быть перелив что в свою очередь может влияет на лямбду. Та дает не правильные данные, которые мозг не может "переварить" и ругается на нее.
Для чистоты эксперимента решил что почищу.

_________________
mazda 626 GLX 2.0i 8v 1991г.(хэтчбек)
Изображение


Вернуться наверх
 Профиль Отправить email  
 
 Заголовок сообщения: Re: Помогите разобраться с ошибкой №17 - лямбда. Mazda 626 GD | мазда (mazda) форум
19 июн 2010 15:58 
Не в сети
семизвездочный
Аватар пользователя

Зарегистрирован: 02 фев 2008 18:31
Сообщений: 5435
Откуда: Рига, Латвия
Баллы репутации: 29
Лямбда регистрирует почти нормальное значение, чуть-чуть наоборот бедную смесь! Ну если форсы так сильно засраты то может нехватать их производительности.. Однако первым делом надо искать подсосы во впускном тракте после расходомера и смотреть герметична ли выхлопная, особенно до ЛЗ! Заткни трубу, посмотри..

_________________
Mazda 626 GC 1986 2.0 carburator (была) 280'000
Mazda 626 GE 1993 comprex (была) счётчик скручен
Audi 80 quattro 1988 1.8 KE-Jetroniс На 380'000 сломался счётчик))
Mazda 323F BA 1995 1.5 Z5 (была) 270'000


Вернуться наверх
 Профиль  
 
 Заголовок сообщения: Re: Помогите разобраться с ошибкой №17 - лямбда. Mazda 626 GD | мазда (mazda) форум
25 июн 2010 18:03 
Не в сети
завсегдатай
завсегдатай
Аватар пользователя

Зарегистрирован: 31 май 2010 19:35
Сообщений: 486
Откуда: Одесса, Украина
Автомобиль: Mazda GD 1991 FE 2.0i
Баллы репутации: 15
Решил немного освежить тему...
За это время почистил дроссельную заслонку, теперь она выглядит так:
Вложение:
IMG_4853r.JPG
IMG_4853r.JPG [ 125.48 | Просмотров: 26980 ]

Вложение:
IMG_4854к.JPG
IMG_4854к.JPG [ 120.62 | Просмотров: 26980 ]

Также помыл клапанную крышку:
Вложение:
IMG_4855r.JPG
IMG_4855r.JPG [ 112.08 | Просмотров: 26980 ]

На СТО промыл форсунки... и на этом все пока что остановилось - жду новые уплотнители на форсунки.
Жду уже 4 дня %) =@ Кто из Одессы, подскажите где их купить можно??
Пока жду уплотнители, провел профилактику передних тормозов - поставил новые проставки между выжимным цилиндром и колодкой, старые прогнили и лопнули.

_________________
mazda 626 GLX 2.0i 8v 1991г.(хэтчбек)
Изображение


Вернуться наверх
 Профиль Отправить email  
 
 Заголовок сообщения: Re: Помогите разобраться с ошибкой №17 - лямбда. Mazda 626 GD | мазда (mazda) форум
25 июн 2010 18:26 
Не в сети
семизвездочный
Аватар пользователя

Зарегистрирован: 09 июн 2008 20:26
Сообщений: 6176
Откуда: Волгоградская область
Баллы репутации: 301
SPOT писал(а):
Жду уже 4 дня %) =@ Кто из Одессы, подскажите где их купить можно??

На "Привозе" :lol:
Эти резинки довольно стандартные,можно с форсункой поподбирать,если неймётся,но лучше подождать. :)

_________________
Веста SW люкс ММ
---------------------------------------
аська-556792705


Вернуться наверх
 Профиль Отправить email  
 
 Заголовок сообщения: Re: Помогите разобраться с ошибкой №17 - лямбда. Mazda 626 GD | мазда (mazda) форум
25 июн 2010 22:45 
Не в сети
семизвездочный
Аватар пользователя

Зарегистрирован: 21 апр 2005 18:51
Сообщений: 7661
Откуда: Rostov-on-Don
Баллы репутации: 615
Посмотрел на фото заслонки до чистки и вот подумалось - а гофра от воздухана целая?
Ну черная бывает, ну в масле. Но пылюка в чистом виде :shock: ....
А на эту ошибку забил. Пока на всех заправках не будет идеального бензина, без хитрых "присадок", тратить нерьви и денежки неразумно. Имхо.
Тем более, что после отжига по трассе ошибка на время исчезала, т.е. лямбда, видимо, "продувалась"...
За время борьбы этих лямбд накопилось :( ... С некоторыми по несколько месяцев ошибка не вылазила. А может из-за того, что так с водой и езжу :wink: ...
Вот форсунки так ни разу снять не сподобился. Свечи одинаковые, правильного цвета. Зачем что лечить? Пусть живет...
Только весной и осенью заливаю в бак муйню под названием "Очиститель форсунок"...

_________________
626 1990г. 2.0i FE 8v GD - продана
KIA Cerato 1,6 2009г. пробег 25000 - продано
Subaru XV 2012г. летаю


Вернуться наверх
 Профиль  
 
 Заголовок сообщения: Re: Помогите разобраться с ошибкой №17 - лямбда. Mazda 626 GD | мазда (mazda) форум
25 июн 2010 23:39 
Не в сети
семизвездочный
Аватар пользователя

Зарегистрирован: 02 фев 2008 18:31
Сообщений: 5435
Откуда: Рига, Латвия
Баллы репутации: 29
Ну и нафига эта муйня там..

_________________
Mazda 626 GC 1986 2.0 carburator (была) 280'000
Mazda 626 GE 1993 comprex (была) счётчик скручен
Audi 80 quattro 1988 1.8 KE-Jetroniс На 380'000 сломался счётчик))
Mazda 323F BA 1995 1.5 Z5 (была) 270'000


Вернуться наверх
 Профиль  
 
 Заголовок сообщения: Re: Помогите разобраться с ошибкой №17 - лямбда. Mazda 626 GD | мазда (mazda) форум
26 июн 2010 00:00 
Не в сети
завсегдатай
завсегдатай
Аватар пользователя

Зарегистрирован: 31 май 2010 19:35
Сообщений: 486
Откуда: Одесса, Украина
Автомобиль: Mazda GD 1991 FE 2.0i
Баллы репутации: 15
Воздуховод что идет от расходомера до дросселя целый.
По поводу форсунок, мне тоже предлагали что-то типа редекса залить для промывки в бак, но т.к. дело дошло до разборки, решил все же снять. Дождусь уплотнителей, соберу - посмотрим что скажет.

Мне тут еще сказали что может расходомер воздуха врать и мозг из-за этого ругать лямбду. Это реально? Стоить возится с проверкой расходомера?

_________________
mazda 626 GLX 2.0i 8v 1991г.(хэтчбек)
Изображение


Вернуться наверх
 Профиль Отправить email  
 
 Заголовок сообщения: Re: Помогите разобраться с ошибкой №17 - лямбда. Mazda 626 GD | мазда (mazda) форум
26 июн 2010 00:08 
Не в сети
завсегдатай
завсегдатай
Аватар пользователя

Зарегистрирован: 31 май 2010 19:35
Сообщений: 486
Откуда: Одесса, Украина
Автомобиль: Mazda GD 1991 FE 2.0i
Баллы репутации: 15
Serge писал(а):
А может из-за того, что так с водой и езжу :wink: ...
Вот форсунки так ни разу снять не сподобился. Свечи одинаковые, правильного цвета. Зачем что лечить?

Что значит с водой ездишь?
Ошибка в мозгу есть? Какой расход?
Лечить решил из-за расхода в 14.5-15 л. в городе. Правда свечи я не смотрел в каком состоянии. Увидел только ошибку в мозгу и забросанную лямбду, а потом пошло поехало. :D

_________________
mazda 626 GLX 2.0i 8v 1991г.(хэтчбек)
Изображение


Вернуться наверх
 Профиль Отправить email  
 
 Заголовок сообщения: Re: Помогите разобраться с ошибкой №17 - лямбда. Mazda 626 GD | мазда (mazda) форум
26 июн 2010 00:47 
Не в сети
семизвездочный
Аватар пользователя

Зарегистрирован: 02 фев 2008 18:31
Сообщений: 5435
Откуда: Рига, Латвия
Баллы репутации: 29
Цитата:
Что значит с водой ездишь?

Поищи в поиске "раскоксовка водой" ;)

Ну да, как бы параметры время впрыска, расход воздуха (Расходомер) и лямбда взаимосвязаны.. НУ подцепись к расходомеру осциллом и глянь что он там кажет.

_________________
Mazda 626 GC 1986 2.0 carburator (была) 280'000
Mazda 626 GE 1993 comprex (была) счётчик скручен
Audi 80 quattro 1988 1.8 KE-Jetroniс На 380'000 сломался счётчик))
Mazda 323F BA 1995 1.5 Z5 (была) 270'000


Вернуться наверх
 Профиль  
 
 Заголовок сообщения: Re: Помогите разобраться с ошибкой №17 - лямбда. Mazda 626 GD | мазда (mazda) форум
26 июн 2010 02:49 
Не в сети
я тут живу
я тут живу
Аватар пользователя

Зарегистрирован: 08 сен 2007 12:17
Сообщений: 1385
Откуда: Riga, Latvia
Автомобиль: Mazda MX-6 2.5 / 1992 год
Баллы репутации: 47
SPOT писал(а):
Лечить решил из-за расхода в 14.5-15 л. в городе.

Лямбда почти наверняка не даст такого расхода на этой машине, если это не глухие пробки.
Причина в чём-то другом, вполне возможно MAF.

_________________
MX-6 GE '92 KL 2.5 V6 МКПП люк, круиз / передние тормоза от Mazda 6 были, CX-7 стали / армированные шланги тормозов


Вернуться наверх
 Профиль  
 
Показать сообщения за:  Сортировать по:  
Начать новую тему Ответить на тему  [ Сообщений: 1124 ]  На страницу 1, 2, 3, 4, 5 ... 45  След.









Найти:
Перейти:  
cron
Клуб «Мазда-Авто»: www.mazda-auto.ru © 2002 - 2018
Форум владельцев автомобилей Mazda: Москва, Санкт-Петербург, Екатеринбург, Челябинск, Тюмень, Краснодар, Новосибирск, Красноярск, Воронеж.