Клуб Мазда, форум, автоклуб avto Москва http://www.mazda-auto.ru
Клуб Мазда Авто, форум, автофорум www.mazda-auto.ru
Клуб Мазда, форум







    

Hужна схема управления двигателем | мазда (mazda) форум | 13 ноя 2012 00:23

 Заголовок сообщения: Hужна схема управления двигателем | мазда (mazda) форум
13 ноя 2012 00:23 
Не в сети
новичок
новичок

Зарегистрирован: 13 ноя 2012 00:08
Сообщений: 3
Автомобиль: 626 ditd
Баллы репутации: 0
Привет всем!
Мне нужна электрическая схема управления двигателем для Mazda 626 ditd (RF турбо, 81 кВт), 1998 год.
Cпасибо!


Вернуться наверх
 Профиль Отправить email  
 
 Заголовок сообщения: Re: Hужна схема управления двигателем | мазда (mazda) форум
13 ноя 2012 00:56 
Не в сети
семизвездочный
Аватар пользователя

Зарегистрирован: 12 дек 2007 01:12
Сообщений: 2535
Откуда: Israel
Автомобиль: Кседос 9
Баллы репутации: 30
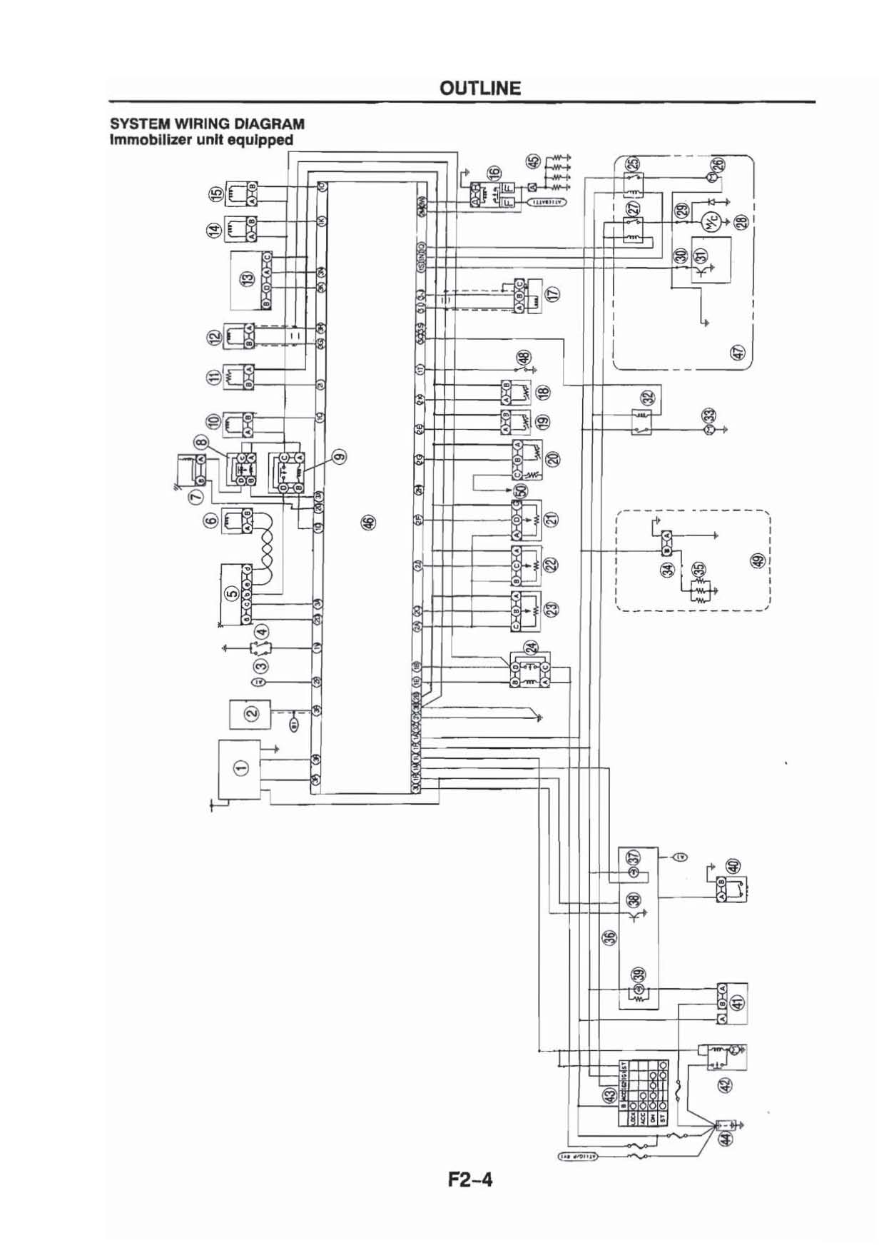
Ты про эту?


Вложения:
GF RFTurbo-1.jpg
GF RFTurbo-1.jpg [ 120.91 | Просмотров: 2862 ]

_________________
Диагностика и ремонт систем впрыска Mazda.
+97258701010391 +380947122844 Skуpe alfal95
http://mazdaservice.kiev.ua/
Вернуться наверх
 Профиль Отправить email  
 
 Заголовок сообщения: Re: Hужна схема управления двигателем | мазда (mazda) форум
13 ноя 2012 11:22 
Не в сети
новичок
новичок

Зарегистрирован: 13 ноя 2012 00:08
Сообщений: 3
Автомобиль: 626 ditd
Баллы репутации: 0
Спасибо, но эта схема очень плохa, нет никакого объяснения для реле и подключаемые модули, ни распиновки, ни цвета проводов ... У вас есть подробный график?


Вернуться наверх
 Профиль Отправить email  
 
 Заголовок сообщения: Re: Hужна схема управления двигателем | мазда (mazda) форум
13 ноя 2012 14:16 
Не в сети
семизвездочный
Аватар пользователя

Зарегистрирован: 12 дек 2007 01:12
Сообщений: 2535
Откуда: Israel
Автомобиль: Кседос 9
Баллы репутации: 30
Могу лишь предложить лишь это


Вложения:
GF RFTurbo-2.jpg
GF RFTurbo-2.jpg [ 139.47 | Просмотров: 2834 ]

_________________
Диагностика и ремонт систем впрыска Mazda.
+97258701010391 +380947122844 Skуpe alfal95
http://mazdaservice.kiev.ua/
Вернуться наверх
 Профиль Отправить email  
 
 Заголовок сообщения: Re: Hужна схема управления двигателем | мазда (mazda) форум
13 ноя 2012 22:34 
Не в сети
новичок
новичок

Зарегистрирован: 13 ноя 2012 00:08
Сообщений: 3
Автомобиль: 626 ditd
Баллы репутации: 0
Спасибо!


Вернуться наверх
 Профиль Отправить email  
 
Показать сообщения за:  Сортировать по:  
Начать новую тему Ответить на тему  [ Сообщений: 5 ] 









Найти:
Перейти:  
cron
Клуб «Мазда-Авто»: www.mazda-auto.ru © 2002 - 2018
Форум владельцев автомобилей Mazda: Москва, Санкт-Петербург, Екатеринбург, Челябинск, Тюмень, Краснодар, Новосибирск, Красноярск, Воронеж.