Клуб Мазда, форум, автоклуб avto Москва http://www.mazda-auto.ru
Клуб Мазда Авто, форум, автофорум www.mazda-auto.ru
Клуб Мазда, форум







    

Чертежи проставок GD и болтов/гаек для крепления их. | мазда (mazda) форум | 30 ноя 2004 07:54

 Заголовок сообщения: Чертежи проставок GD и болтов/гаек для крепления их. | мазда (mazda) форум
30 ноя 2004 07:54 
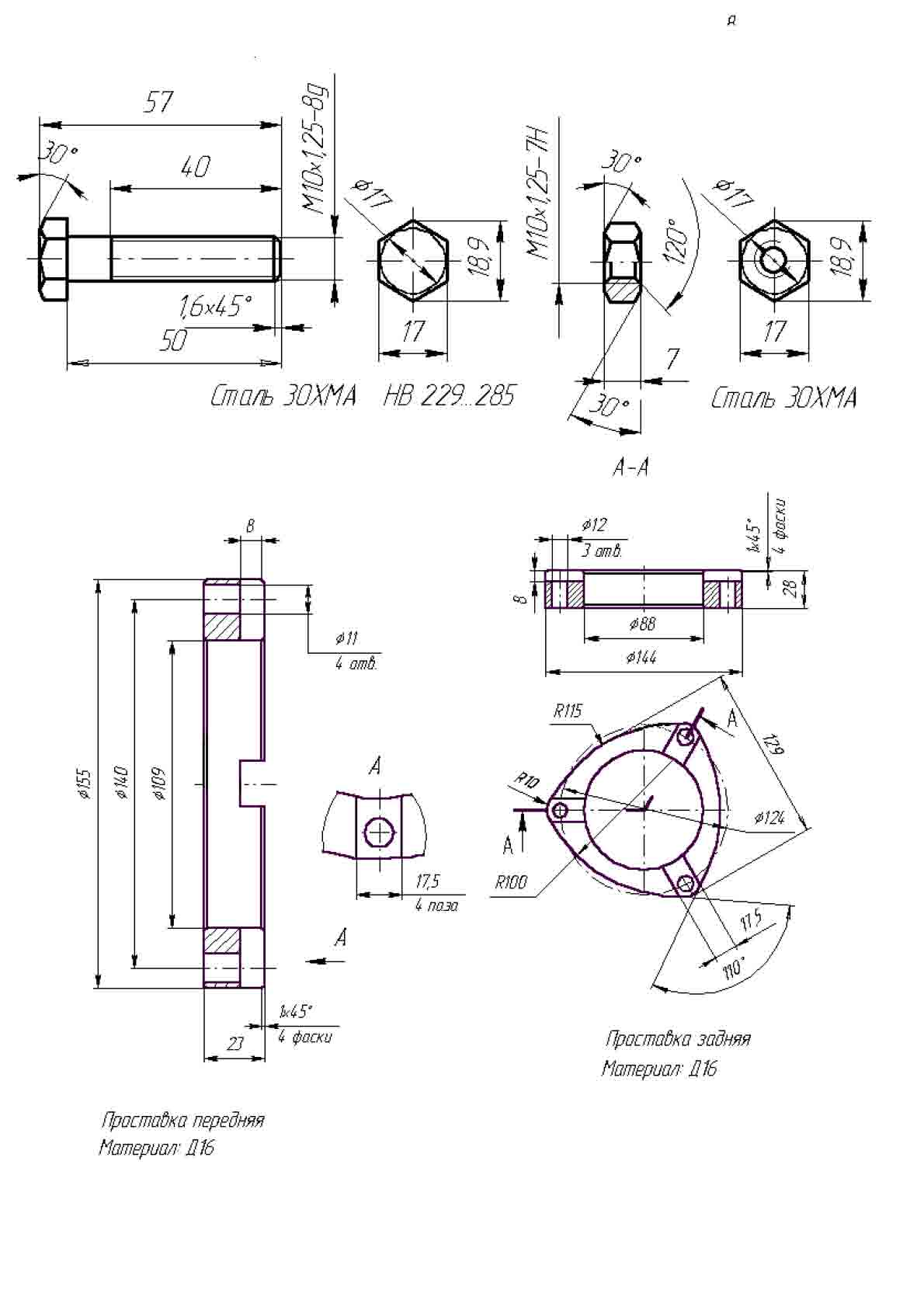
Собсно, чертежи.
Единственное, толщину проставок брал GE, так что вопрос личного усмотрения.
Установил себе такие. Разница ощутима.
PS: Передние проставки круглые, как у GE.


Вложения:
prostavki.jpg
prostavki.jpg [ 85.34 | Просмотров: 2191 ]
Вернуться наверх
  
 
 Заголовок сообщения: | мазда (mazda) форум
30 ноя 2004 09:15 
Спасибо ! Я тоже собираюсь поднимать.

Фотку "поднятой" ласточки скинь, если не сложно. Как операция отразилась на внешнем виде и на управляемости ?


Вернуться наверх
  
 
 Заголовок сообщения: | мазда (mazda) форум
30 ноя 2004 09:30 
А насколько поднялась машина в результате?


Вернуться наверх
  
 
 Заголовок сообщения: | мазда (mazda) форум
01 дек 2004 12:17 
с фотками напряг.
раньше от колеса до края крыла (по вертикали) влазило три пальца (перед) четыре пальца (задние колеса); теперь 6 и 7 соответственно. Т.е. где-то на 4 см поднялась.
Так, к слову: вместе с проставками менял задние стойки и пружины.


Вернуться наверх
  
 
Показать сообщения за:  Сортировать по:  
Начать новую тему Ответить на тему  [ Сообщений: 4 ] 









Найти:
Перейти:  
cron
Клуб «Мазда-Авто»: www.mazda-auto.ru © 2002 - 2018
Форум владельцев автомобилей Mazda: Москва, Санкт-Петербург, Екатеринбург, Челябинск, Тюмень, Краснодар, Новосибирск, Красноярск, Воронеж.