Клуб Мазда, форум, автоклуб avto Москва http://www.mazda-auto.ru
Клуб Мазда Авто, форум, автофорум www.mazda-auto.ru
Клуб Мазда, форум







     На страницу 1, 2, 3  След.

Моргание экрана (компьютера) | мазда (mazda) форум | 01 окт 2009 13:35

 Заголовок сообщения: Моргание экрана (компьютера) | мазда (mazda) форум
01 окт 2009 13:35 
Не в сети
любитель мазд
любитель мазд

Зарегистрирован: 23 июл 2009 15:12
Сообщений: 23
Откуда: Эстония Нарва
Баллы репутации: 0
Снова здравствуйте.

Вот поменял лампы подсветки на тахометре - тускловатые стали .А заодно добрался и до экрана компа(показывает расход бенза ,время и температуру). Проблема в том что он подсвечивается после запуска машины на 5 минут ,а потом моргает - моргает и на 5-6минут тухнет (при этом если изменить температуру подачи воздуха в салон ,то после загорания подсветки индикация изменяется на ту ,которую установил). Т.е. всё работает кроме самой индикации.


Можете подсказать ,кто сталкивался с этим ,как лечится ???


спасибо .

_________________
Xedos 9 1995 2.0 ручная


Вернуться наверх
 Профиль Отправить email  
 
 Заголовок сообщения: Re: Моргание экрана (компьютера) | мазда (mazda) форум
01 окт 2009 14:01 
Не в сети
лучший друг мазд
лучший друг мазд

Зарегистрирован: 24 авг 2009 12:23
Сообщений: 180
Откуда: Минск
Баллы репутации: 5
sergioX9, у меня те же грабли уже три года с момента покупки. Начинает проявляться при температуре за окном около +10 и ниже. Наводит на мысль о плохом контакте: типа олаждение-нагрев-сужение-расширение.
Поначалу напрягало очень, потом привык и не обращаю внимания.
Когда-то давно, эта тема уже поднималась, но по моему так к ничему и не пришли :pardon:

_________________
Xedos 9 / 94 / 2,5KL / АКПП
Nissan X-Trail / 06 / 2,2dci / МКПП


Вернуться наверх
 Профиль Отправить email  
 
 Заголовок сообщения: Re: Моргание экрана (компьютера) | мазда (mazda) форум
01 окт 2009 14:11 
Не в сети
любитель мазд
любитель мазд

Зарегистрирован: 23 июл 2009 15:12
Сообщений: 23
Откуда: Эстония Нарва
Баллы репутации: 0
По поводу +10 у меня тоже самое ,но я в итоге разобрал всё до самой платы ,сфоткал и всё собрал назад ,т.к. ничего явно сгоревшего или повреждённого не обнаружил .Но я не забываю о таком интересном факте ,как "неработает - разобрал - собрал - заработало".
Пару раз помогало и причём не на некоторое время . :D


Вложения:
Комментарий к файлу: Странный не подключеный разъём ,на корпусе отверстие под него заклеено скотчем.
P1110105.JPG [46.36 ]
Скачиваний: 5848
Комментарий к файлу: Странные затемнения на самом экране в углу
P1110099fff.JPG
P1110099fff.JPG [ 136 | Просмотров: 10178 ]
Комментарий к файлу: общий разобранный вид
P1110100fff.JPG
P1110100fff.JPG [ 193.15 | Просмотров: 10178 ]

_________________
Xedos 9 1995 2.0 ручная


Последний раз редактировалось sergioX9 01 окт 2009 14:30, всего редактировалось 1 раз.
Вернуться наверх
 Профиль Отправить email  
 
 Заголовок сообщения: Re: Моргание экрана (компьютера) | мазда (mazda) форум
01 окт 2009 14:14 
Не в сети
семизвездочный
Аватар пользователя

Зарегистрирован: 25 мар 2005 10:37
Сообщений: 5499
Откуда: неризиновск :-E
Баллы репутации: 44
да тут вроде бы и приходить то не к чему. Совершенно ясно, что это неконтакт где то проявляется

_________________
тута:
была Millenia 98, KF АКПП
была Millenia 2003, KL АКПП
▪ MB Е200 W212 '12 ▪
▪ MB C200К W203 '06 ▪

Уважаемые, спрашивать не нужно - ПОЧИТАЙТЕ, тут на 99% уже есть ответы. Спасибо.


Вернуться наверх
 Профиль  
 
 Заголовок сообщения: Re: Моргание экрана (компьютера) | мазда (mazda) форум
01 окт 2009 14:38 
Не в сети
лучший друг мазд
лучший друг мазд

Зарегистрирован: 24 авг 2009 12:23
Сообщений: 180
Откуда: Минск
Баллы репутации: 5
RespecterX9 писал(а):
да тут вроде бы и приходить то не к чему. Совершенно ясно, что это неконтакт где то проявляется

я имел ввиду, что в итоге никто так и не отписался: победил, не победил.
sergioX9, раз уж ты все разобрал, будь добр, напиши о результатах, буду очень признателен :)

_________________
Xedos 9 / 94 / 2,5KL / АКПП
Nissan X-Trail / 06 / 2,2dci / МКПП


Вернуться наверх
 Профиль Отправить email  
 
 Заголовок сообщения: Re: Моргание экрана (компьютера) | мазда (mazda) форум
01 окт 2009 22:00 
Не в сети
любитель мазд
любитель мазд

Зарегистрирован: 23 июл 2009 15:12
Сообщений: 23
Откуда: Эстония Нарва
Баллы репутации: 0
респектер был прав , скорее всего это по причине нагрева - охлаждения каких либо контактов .
Горячим феном прогрел всю плату и около экрана ,в этот момент они были подключены к разъёмам в самой машине - ну поморгало как обычно около 7 секунд и отрубилась индикация.Методом "тыка" слегка постучал по деталям ,катушкам ,короче по всему что припаяно к плате ,НО УВЫ.Экран засиял тока через 6 минут ,как это всегда и происходит .


Что странно ,если утром завёл - экран потухнет примерно через 6 минут (неважно в движении или на месте стоишь), потом через 6 минут зажгётся и не потухнет никогда ,до тех пор пока мотор не заглушишь и он (мотор) не остынет .Если же заведёшь на тёплую ,то экран не потухнет. При этом не обязательно включать обдув ,так же обдув никак не влияет на время "отключения- включения" экрана.

Короче я так и не понял и соответственно забил на это дело .

_________________
Xedos 9 1995 2.0 ручная


Вернуться наверх
 Профиль Отправить email  
 
 Заголовок сообщения: Re: Моргание экрана (компьютера) | мазда (mazda) форум
02 окт 2009 10:13 
Не в сети
я тут живу
я тут живу

Зарегистрирован: 24 июл 2007 13:58
Сообщений: 573
Откуда: Таллинн, Эст.
Баллы репутации: 0
так есть же регулятор яркости подсветки если он не в порядке тоже будет такая ситуёвина может в нем проблема ? если его замкнуть то будет на полную мощность

_________________
Xedos 9/1996, 2.5V, Automatic


Вернуться наверх
 Профиль  
 
 Заголовок сообщения: Re: Моргание экрана (компьютера) | мазда (mazda) форум
02 окт 2009 11:00 
Не в сети
я тут живу
я тут живу
Аватар пользователя

Зарегистрирован: 22 мар 2007 14:45
Сообщений: 1038
Откуда: Москва
Баллы репутации: 10
Для начала нужно просто прочистить все контакты спиртом, а если сильно грязные, зачистить. У меня такая фигня на 626 была. Зачистил и все прошло. Так что отвертку в руки и вперед! :wink:

_________________
Другой автомобиль
Mazda Millenia S, 2002, черная на белом. Продана со слезами на глазах...
626 GE, 1992, бордовая - продана
626 GE, 1992, серая - продана


Вернуться наверх
 Профиль  
 
 Заголовок сообщения: Re: Моргание экрана (компьютера) | мазда (mazda) форум
03 окт 2009 12:10 
Не в сети
любитель мазд
любитель мазд
Аватар пользователя

Зарегистрирован: 20 июл 2008 18:14
Сообщений: 33
Откуда: Москва
Баллы репутации: 0
Поделюсь своими наблюдениями.

- чем ниже температура на улице, тем меньшее время проходит с момента включения, до момента начала моргания. В частности, зимой, при включении зажигания, дисплей вовсе не работает.
- моргание/отключение дисплея никак не влияет на работу климат-контроля (в том числе на реакцию на нажатие клавиш).
- при оключении дисплея не сбрасываются показания времени и расхода топлива, но приостанавливается подсчёт расхода (т.е. какой расход был до отключеня, такой же будет и после включения).
- при моргании, после включения, в течении секунды сначала показывается время, потом переключается на расход, если успевает. То же самое происходит при быстром повороте ключа из положения lock в положение on и обратно.
- при отключившемся дисплее и повороте ключа lock-acc, lock-on, acc-lock просходит кратковременное включение дисплея на доли секунды (причем при переключении acc-lock дисплей быстро моргнёт часами)


Как мне кажется, в определённый момент времени происходит обрыв какой-то цепи, и дисплей "думает", что ключ переместился в положение lock, и перестаёт показывать информацию.


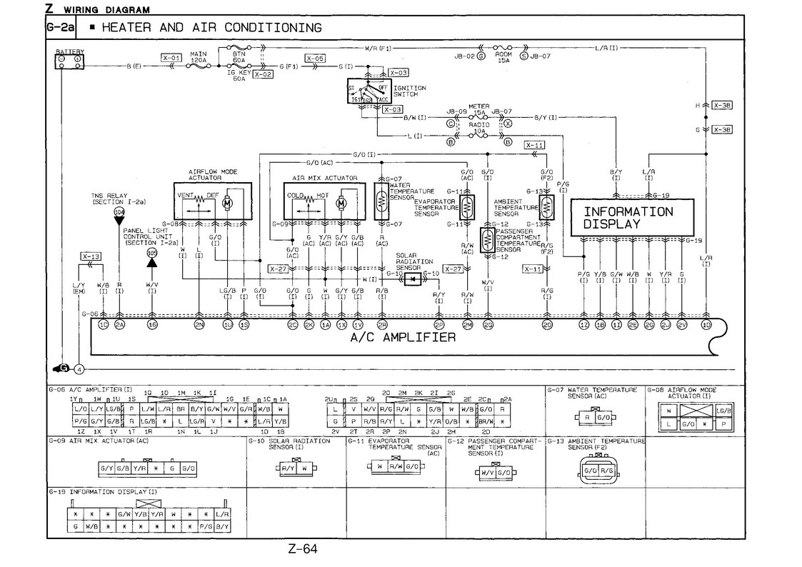
Вложения:
Комментарий к файлу: wiring diadram
information display.jpg
information display.jpg [ 197.28 | Просмотров: 10131 ]

_________________
Mazda Xedos 9 2.5V6 АКПП 1994 г. в.
Вернуться наверх
 Профиль Отправить email  
 
 Заголовок сообщения: Re: Моргание экрана (компьютера) | мазда (mazda) форум
04 окт 2009 22:57 
Не в сети
любитель мазд
любитель мазд

Зарегистрирован: 23 июл 2009 15:12
Сообщений: 23
Откуда: Эстония Нарва
Баллы репутации: 0
derreck писал(а):
Для начала нужно просто прочистить все контакты спиртом, а если сильно грязные, зачистить. У меня такая фигня на 626 была. Зачистил и все прошло. Так что отвертку в руки и вперед! :wink:


нихрена себе ,да там литр спирта уйдёт и времени не один час если всё чистить . :D
Конкретнее где искать ??? столько контактов и мест пайки .Глянь на фото ,сколько сверху так же и снизу наколбашено. плюс в некоторые места нереально подлезть.


регулятор яркости не причём - проверял его ,он в порядке.

Там на самом экране под стеклом натянуты струны штук 6-7 ,за чем они???? просто справа в экране 2 затемнения видны отчётливо - мож в этом фигня??

_________________
Xedos 9 1995 2.0 ручная


Вернуться наверх
 Профиль Отправить email  
 
 Заголовок сообщения: Re: Моргание экрана (компьютера) | мазда (mazda) форум
05 окт 2009 12:05 
Не в сети
я тут живу
я тут живу
Аватар пользователя

Зарегистрирован: 22 мар 2007 14:45
Сообщений: 1038
Откуда: Москва
Баллы репутации: 10
sergioX9 А тебе спирта жалко? :wink: Я имел в виду контакты, которые в разъемах. Остальные нет смысла чистить, там пайка. Не знаю, что это за затемнения такие, но не думаю, что дело в них. Зачем "струны", не знаю, возможно это что-то типа питания самого жк-экрана. ХЗ. Попробуй для начала разъем почистить.

_________________
Другой автомобиль
Mazda Millenia S, 2002, черная на белом. Продана со слезами на глазах...
626 GE, 1992, бордовая - продана
626 GE, 1992, серая - продана


Вернуться наверх
 Профиль  
 
 Заголовок сообщения: Re: Моргание экрана (компьютера) | мазда (mazda) форум
07 окт 2009 15:43 
Не в сети
любитель мазд
любитель мазд

Зарегистрирован: 11 мар 2009 10:20
Сообщений: 42
Откуда: Москва, Серпухов, Тула
Баллы репутации: 0
Это не струны а нить накала, без них не будет работать вакуумно-люминисцентный индикатор.

_________________
Xedos 9/1998 , KL 2.5 , АКПП, A/C, круиз, Сирия


Вернуться наверх
 Профиль Отправить email  
 
 Заголовок сообщения: Re: Моргание экрана (компьютера) | мазда (mazda) форум
08 окт 2009 16:54 
Не в сети
семизвездочный
Аватар пользователя

Зарегистрирован: 06 май 2005 11:36
Сообщений: 6092
Откуда: Москва (Дзержинский)
Баллы репутации: 33
Для начала советую заменить электролиты (конденсаторы), вот эти три больших бочонка на плате. очень похожи симптомы. стоят они недорого.

_________________
Mazda MX-3 V6 K8 красный
Была Mazda 323 BG GLX B6 1,6 16V


Вернуться наверх
 Профиль  
 
 Заголовок сообщения: Re: Моргание экрана (компьютера) | мазда (mazda) форум
13 окт 2009 23:08 
Не в сети
лучший друг мазд
лучший друг мазд

Зарегистрирован: 08 окт 2009 18:29
Сообщений: 167
Откуда: г. Волгодонск
Автомобиль: X9 94г 2.5L АКПП
Баллы репутации: 5
Дело всего быстрей именно в той плате которую ты разобрал. Глядя на схему видно что питание +12В 1-е идет на прямую, другие два через ключ зажигания. т.к. часы не збиваются то следовательно с 1-й цепочкой все в порядке, а с цепочками питания которые идут через замок зажигания т.е. при включении его чтото не так. Смысл этих двух цепочек наверное в том что при положении ключа в АСС индикация только часов а в другом и всего остального. Рассуждаем дальше при холодной погоде при поварачивании ключа в положение АСС часы через какоето время моргают и пропадают дальше ключ можно уже не крутить эфект останится тотже. Начни с того что подключи вольтметр к проводу B/Y (относительно корпуса АВТО) на разъеме приходящего к этой плате идущего от предохранителя METER чтобы исключить дефекты замка и всей ветки в целом, если питание есть а цветомузыки нет то остается только искать дефект в самой плате. (либо всетаки может быть сама лампа. либо цепь питания анодных волосков этой лампы. Напряжение на волосках должно быть если я не ошибаюсь 6,3В (по крайней мере в россии это было так)). Но могу тебя успокоить с питанием лампы и самой лампой все норматьно-по твоим описаниям при работе двигателя когда начинается моргание включаются часы а затем если успивает то и расход показать успевает следовательно при дефекте лампы у тебя расход и мигал бы все время, а так как происходит такое что как будтобы включаеш и выключаеш зажигание то однозначно по питанию всей платы :beer:

_______________
Xedos 9 2.5L АКПП 1994г.

_________________
Xedos 9 2.5L АКПП 1994г.


Вернуться наверх
 Профиль Отправить email  
 
 Заголовок сообщения: Re: Моргание экрана (компьютера) | мазда (mazda) форум
14 окт 2009 06:48 
Не в сети
любитель мазд
любитель мазд

Зарегистрирован: 09 окт 2009 16:00
Сообщений: 21
Откуда: люберцы
Баллы репутации: 0
А случайно при включении габаритов ничего не происходит другого? у меня была похожая тема,но там тухло либо сама,либо когда на тормоз жал,либо когда заднюю включал. оказалось дело в проводе,который на подсветку музыки идет. если он где то не там,то ужас получается полный...

_________________
Mazda Millenia 2,3 99г. АКПП Зелененькая


Вернуться наверх
 Профиль Отправить email  
 
 Заголовок сообщения: Re: Моргание экрана (компьютера) | мазда (mazda) форум
14 окт 2009 22:40 
Не в сети
лучший друг мазд
лучший друг мазд

Зарегистрирован: 08 окт 2009 18:29
Сообщений: 167
Откуда: г. Волгодонск
Автомобиль: X9 94г 2.5L АКПП
Баллы репутации: 5
Не думаю т.к. дефект не постоянный а проподающий


_______________
Xedos 9 2.5L АКПП 1994г.

_________________
Xedos 9 2.5L АКПП 1994г.


Вернуться наверх
 Профиль Отправить email  
 
 Заголовок сообщения: Re: Моргание экрана (компьютера) | мазда (mazda) форум
15 окт 2009 02:15 
Не в сети
любитель мазд
любитель мазд

Зарегистрирован: 23 июл 2009 15:12
Сообщений: 23
Откуда: Эстония Нарва
Баллы репутации: 0
orprotran писал(а):
А случайно при включении габаритов ничего не происходит другого? у меня была похожая тема,но там тухло либо сама,либо когда на тормоз жал,либо когда заднюю включал.



нет ,ничё подобного нету.

_________________
Xedos 9 1995 2.0 ручная


Вернуться наверх
 Профиль Отправить email  
 
 Заголовок сообщения: Re: Моргание экрана (компьютера) | мазда (mazda) форум
18 окт 2009 23:36 
Не в сети
любитель мазд
любитель мазд

Зарегистрирован: 06 июн 2009 22:51
Сообщений: 20
Баллы репутации: 0
orprotran писал(а):
А случайно при включении габаритов ничего не происходит другого? у меня была похожая тема,но там тухло либо сама,либо когда на тормоз жал,либо когда заднюю включал. оказалось дело в проводе,который на подсветку музыки идет. если он где то не там,то ужас получается полный...

У меня такая же фигня, как и у sergioX9, то светит, то моргает, то гаснет, а если светит, то при включении габаритов яркость дисплея значительно падает! В чем дело, не понятно!?

_________________
Mazda Xedos 9 1994 г.в. МКПП 2.0 л


Вернуться наверх
 Профиль Отправить email  
 
 Заголовок сообщения: Re: Моргание экрана (компьютера) | мазда (mazda) форум
19 окт 2009 11:08 
Не в сети
я тут живу
я тут живу
Аватар пользователя

Зарегистрирован: 14 сен 2007 00:25
Сообщений: 746
Откуда: Калининград (анклав)
Баллы репутации: 3
ИМХО
Скорее всего это дефект стабилизатора питания блока индикации.
(что-то подобие нашего крЕна)
Найти его можно просто по внешнему виду.
Подобрать аналог или оригинал тебе помогут в любом радиомагазине.
Ну не мешало бы и в его обвязке электролиты поменять.
Если сам не разбираешься-в радиомастерскую заедь-там тебе помогут.
Более сложный момент ,если это дефект в схеме питания цепей накала.
Там может быть схемка простая, но без принципиальной схемы не разобраться.

_________________
MilleniaS 2,3 1996г.(211 л.с.)
Toyota CAMRY 2,4 2005г.(160 л.с.)


Вернуться наверх
 Профиль  
 
 Заголовок сообщения: Re: Моргание экрана (компьютера) | мазда (mazda) форум
25 окт 2009 18:38 
Не в сети
любитель мазд
любитель мазд
Аватар пользователя

Зарегистрирован: 25 авг 2009 20:26
Сообщений: 31
Откуда: odessa
Баллы репутации: 0
вот тоже погасла моя радость. побродил по схеме (милка 96), проверил предохранители, залез и выдернул часы , и шо я вижу - во первых плата совсем не такая как у sergiox9 (у него есть маршрутный комп. x9 и milka это таки разные вещи), а во вторых, на раэъемах есть провода, которых нет на схеме милки американки. пока не победил, вроде есть на плате fuse f1, вроде дохлый, номинала не знаю, боюсь заменю - сгорит вообще все к чертям...


Вложения:
PA252325_.jpg
PA252325_.jpg [ 195.15 | Просмотров: 9957 ]

_________________
mazda Millenia 1995 2.5 AT (USA)
Вернуться наверх
 Профиль Отправить email  
 
 Заголовок сообщения: Re: Моргание экрана (компьютера) | мазда (mazda) форум
25 окт 2009 22:10 
Не в сети
я тут живу
я тут живу
Аватар пользователя

Зарегистрирован: 14 сен 2007 00:25
Сообщений: 746
Откуда: Калининград (анклав)
Баллы репутации: 3
А шо таки тут страшного ?
Таки поставь волосок из многожильного тефлонового монтажного провода, и
погляди шо будет ....
Ну потом, в сервис центре табе электронщик майсу на ушко скажет-засмеешься,
и не более того...
не бойтесь вы электроники, братцы- Fuse F1 это же только начало поиска неисправности
:D
Каков вопрос-таков ответ.
Конкретизируй.

_________________
MilleniaS 2,3 1996г.(211 л.с.)
Toyota CAMRY 2,4 2005г.(160 л.с.)


Вернуться наверх
 Профиль  
 
 Заголовок сообщения: Re: Моргание экрана (компьютера) | мазда (mazda) форум
26 окт 2009 13:18 
Не в сети
любитель мазд
любитель мазд

Зарегистрирован: 11 мар 2009 10:20
Сообщений: 42
Откуда: Москва, Серпухов, Тула
Баллы репутации: 0
Я бы еще проверил преобразователь напряжения (нижняя плата)
Толи мне плохо видно, толи есть есть налет чуть выше С12

_________________
Xedos 9/1998 , KL 2.5 , АКПП, A/C, круиз, Сирия


Вернуться наверх
 Профиль Отправить email  
 
 Заголовок сообщения: Re: Моргание экрана (компьютера) | мазда (mazda) форум
02 ноя 2009 10:28 
Не в сети
завсегдатай
завсегдатай
Аватар пользователя

Зарегистрирован: 09 июл 2008 20:54
Сообщений: 415
Откуда: Луцк-PRAHA
Баллы репутации: 15
Кароч, в этом году с первым морозом и у меня такой прикол начался, так что будем разбираться)))) Соглашусь с Lexx-ом, первым делом хочу заменить электролиты, посмотрим, чо буит)))))

_________________
VW - T4 2,5 TDI


Вернуться наверх
 Профиль Отправить email  
 
 Заголовок сообщения: Re: Моргание экрана (компьютера) | мазда (mazda) форум
20 ноя 2009 09:35 
Не в сети
лучший друг мазд
лучший друг мазд
Аватар пользователя

Зарегистрирован: 19 янв 2009 12:38
Сообщений: 168
Откуда: Казахстан Петропавловск
Автомобиль: XEDOS-9 2.5 KL
Баллы репутации: 0
Доброго времени. Мы эту тему уже поднимали вот тут viewtopic.php?f=11&t=21405 и как кто-то заметил выше так ни к чему и не пришли. Я в свою очередь съездил к куче электриков и только от одного (кстати бывшего зав. кафедрой радиоэлектроники нашего университета) я получил более менее внятный ответ. Он считает что виноват стопудофф электролитический конденсатор самого дисплея который, по его словам подсох, и не работает в каком либо температурном режиме. Но вот всё бы ничего, но как объяснить кратковременное появление часов. Товарисчи кто пробовал менять конденсаторы пожалуйста отпишитесь. Очень будем ждать результатов. Особо это мигание не напрягает но избавиться от него уж очень хочется. И кстати не только мне, я опросил почти всех владельцев xedos 9 (кого знаю) в нашем городе, у пятерых из них та-же самая канитель.

_________________
XEDOS-9-2,5KL МКПП 1998г.чёрный бриллиант, нубук, солнечная батарея в люке ; SUZUKI GSX 1300R HAYABUSA. Были: FORD PROBE GT 2,2 turbo.; Mazda-929-3,0 АКПП.; Mercedes 300GE Gelandewagen;MAZDA-MX-6 2,5 МКПП. Ещё один байкер на кседосе.


Вернуться наверх
 Профиль Отправить email  
 
 Заголовок сообщения: Re: Моргание экрана (компьютера) | мазда (mazda) форум
20 ноя 2009 10:17 
Не в сети
семизвездочный
Аватар пользователя

Зарегистрирован: 23 июн 2008 10:34
Сообщений: 1614
Откуда: Мурманск
Автомобиль: Mazda 626 GE FS 2.0i 16v 96 г
Баллы репутации: 157
Конечно кондеры меняются в первую очередь, как наименее затратная и геморная часть. Спросите любого мало-мальски знакомого с комп. железом человека, когда комп начинает глючить - после проверки всего, что не паяется сразу смотрят электролиты на предмет вздутия. Тут криминала вроде не видно, но это ни о чем не говорит, за 11 лет они могли и высохнуть. Хотя сдается мне дело там в какой нибудь микренции. Насколько я помню такого рода глюки электронщики проверяют охлаждением конкретных деталей какой нибудь быстроиспаряющейся жидкостью, например спиртом

_________________
Mazda 626 GE(IV), 96 г.р., 2.0i\16 v\FS, МКПП, седан, америка.
Всё будет так, как должно быть. Даже если будет наоборот.


Вернуться наверх
 Профиль Отправить email  
 
Показать сообщения за:  Сортировать по:  
Начать новую тему Ответить на тему  [ Сообщений: 52 ]  На страницу 1, 2, 3  След.









Найти:
Перейти:  
cron
Клуб «Мазда-Авто»: www.mazda-auto.ru © 2002 - 2018
Форум владельцев автомобилей Mazda: Москва, Санкт-Петербург, Екатеринбург, Челябинск, Тюмень, Краснодар, Новосибирск, Красноярск, Воронеж.