Клуб Мазда, форум, автоклуб avto Москва http://www.mazda-auto.ru
Клуб Мазда Авто, форум, автофорум www.mazda-auto.ru
Клуб Мазда, форум







    

Заднее пассажирское стекло,магнитола. | мазда (mazda) форум | 18 авг 2005 08:22

 Заголовок сообщения: Заднее пассажирское стекло,магнитола. | мазда (mazda) форум
18 авг 2005 08:22 
Не в сети
завсегдатай
завсегдатай
Аватар пользователя

Зарегистрирован: 04 авг 2005 13:56
Сообщений: 347
Откуда: Москва
Автомобиль: MPS 2.5TD NEW
Баллы репутации: 0
Нарки разбили заднее левое (пассажирское) стекло,
выдрали магнитолу!

Народ! Помогите! Нужно найти заднее левое стекло(пассажирское)
и разблюдовку проводов в Маське 323F, выдрали с косичкой,
только корни проводов остались, какие цвета,
питание,антенка, в проводах машинки???

_________________
Mitsubishi pajero sport 2.5 td NEW 2010


Вернуться наверх
 Профиль  
 
 Заголовок сообщения: | мазда (mazda) форум
18 авг 2005 08:43 
Если седня смогу отсканить выложу схемку.


Вернуться наверх
  
 
 Заголовок сообщения: | мазда (mazda) форум
18 авг 2005 09:04 
Не в сети
завсегдатай
завсегдатай
Аватар пользователя

Зарегистрирован: 04 авг 2005 13:56
Сообщений: 347
Откуда: Москва
Автомобиль: MPS 2.5TD NEW
Баллы репутации: 0
Буду очень признателен!

_________________
Mitsubishi pajero sport 2.5 td NEW 2010


Вернуться наверх
 Профиль  
 
 Заголовок сообщения: | мазда (mazda) форум
18 авг 2005 10:50 
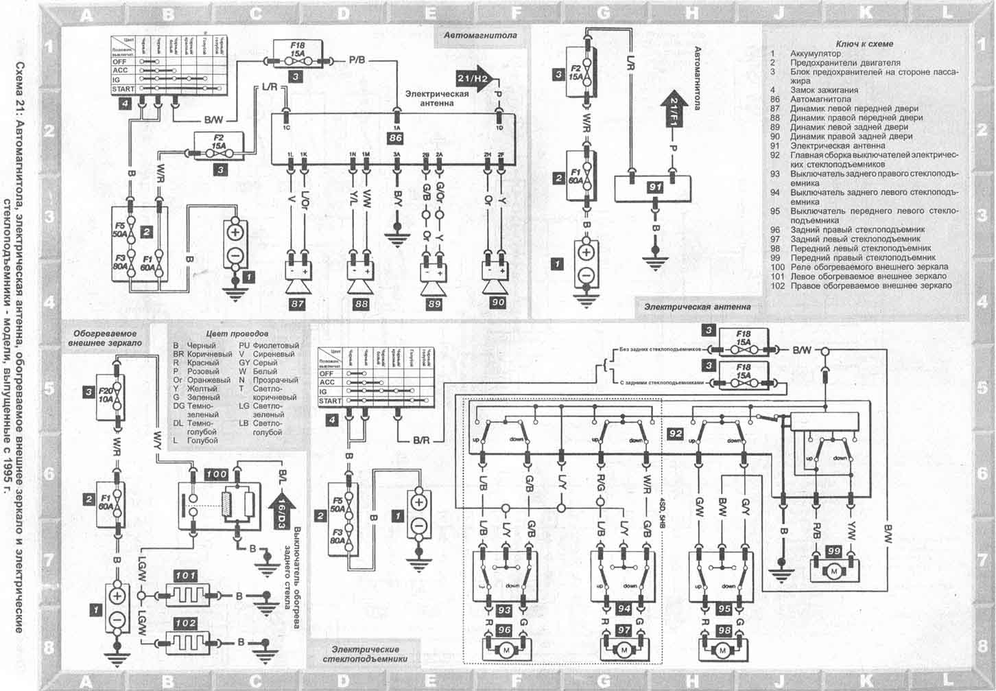
Типа вот


Вложения:
Комментарий к файлу: Эл.схема подключения автомагнитолы, антенны, ЭСП.
Мазда 323F BA. 95-98 гг.

M323FBA9598.jpg
M323FBA9598.jpg [ 148.1 | Просмотров: 3049 ]
Вернуться наверх
  
 
 Заголовок сообщения: | мазда (mazda) форум
18 авг 2005 11:14 
Не в сети
семизвездочный
Аватар пользователя

Зарегистрирован: 14 фев 2005 17:49
Сообщений: 2581
Откуда: МОСКВА-ёпть!
Баллы репутации: 15
А за стеклом (если ты в Москве) на Осташковское шоссе, была такая же проблемма заднее левое стекло мне зил 130-й вынес, тока там и нашёл! Так что можешь там поискать! А вообще ты город уточни!!

_________________
MAZDA 323F 1994 BA!Продана!
MAZDA 3 "2" литра -150 бешеных кобыл.
"Люди делятся на 2 категории: те, кому я нравлюсь и те, которые могут идти на х#й"
Изображение


Вернуться наверх
 Профиль  
 
Показать сообщения за:  Сортировать по:  
Начать новую тему Ответить на тему  [ Сообщений: 5 ] 









Найти:
Перейти:  
cron
Клуб «Мазда-Авто»: www.mazda-auto.ru © 2002 - 2018
Форум владельцев автомобилей Mazda: Москва, Санкт-Петербург, Екатеринбург, Челябинск, Тюмень, Краснодар, Новосибирск, Красноярск, Воронеж.